MOSFET体二极管的反向恢复特性与桥式电路损耗的关系
在逆变器电路和Totem Pole型功率因数改善(PFC)电路等具有2个以上MOSFET的桥式电路中,由于流过上下桥臂的电流会使导通损耗增加。
该现象受开关MOSFET和对应桥臂MOSFET的体二极管(寄生二极管)的反向恢复特性影响很大。因此,在桥式电路中,体二极管反向恢复特性优异的MOSFET优势明显。
什么是双脉冲测试?
双脉冲测试是广泛应用于MOSFET和IGBT等功率开关元件特性评估的一种测试方法。该测试不仅可以评估对象元件的开关特性,还可以评估体二极管和IGBT一同使用的快速恢复二极管(FRD)等的反向恢复特性。
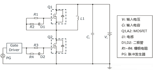
因此,对导通时发生反向恢复特性引起损耗的电路的评估非常有效。双脉冲测试的基本电路图如下所示。

另外,当该电路的Q1是续流用MOSFET、Q2是驱动用MOSFET时,双脉冲测试的基本工作如下表所示?;竟ぷ髦饕梢苑治佟ⅱ?、③这三种。
当定义脉冲发生器的电压为VPulse、流过电感的电流为IL、Q2的漏源电压为VDS_L、Q2的漏极电流为ID_L时,各模式的工作、电流路径和波形如表所示。

在工作③中,在Q2导通时可以观测到短路电流(ID_L红色部分)。这是由Q1体二极管的反向恢复特性引发的。
当体二极管从ON转换为OFF时,必须将ON时所蓄积的电荷进行放电。此时,设从体二极管释放出的电荷量为Qrr,释放电荷所产生的电流峰值为Irr,Q2的功率损耗为Pd_L,则Q2的导通动作可以如右图所示。ID_L的三角形面积为Qrr、三角形的高为Irr。

一般情况下,当续流侧元件Q1的体二极管反向恢复特性较差、Qrr也较大时,驱动侧元件Q2的导通损耗会增加。因此,在像逆变器电路这样的流过再生电流的应用和Totem Pole型PFC电路中,需要考虑到体二极管的反向恢复特性对损耗有较大的影响。
关键要点:
在具有2个以上MOSFET的桥式电路中,当MOSFET的体二极管反向恢复特性较差时,导通损耗会增加。
双脉冲测试是广泛应用于MOSFET和IGBT等功率开关元件特性评估的一种测试方法。
双脉冲测试不仅可以评估对象元件的开关特性,也可以评估体二极管和外置快速恢复二极管等的反向恢复特性。
双脉冲测试对导通时发生反向恢复特性引起损耗的电路的评估非常有效。
〈烜芯微/XXW〉专业制造二极管,三极管,MOS管,桥堆等,20年,工厂直销省20%,上万家电路电器生产企业选用,专业的工程师帮您稳定好每一批产品,如果您有遇到什么需要帮助解决的,可以直接联系下方的联系号码或加QQ/微信,由我们的销售经理给您精准的报价以及产品介绍
联系号码:18923864027(同微信)
QQ:709211280