根据功率放大器所设静态工作点的不同,功率放大器可分为甲类、乙类、甲乙类等多种。
甲类功率放大器
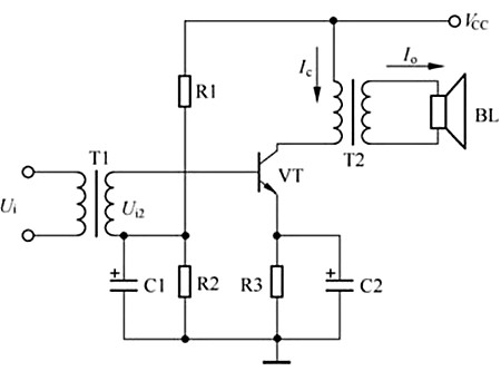
甲类功率放大器的功率放大管VT的基极接有偏置电阻,在整个信号周期内VT都会有导通电流,但工作效率不足50%,所以仅早期的收音机采用它做末级放大器,如图3-12所示。
输入信号Ui经激励变压器T1耦合,再经VT倒相放大,利用输出变压器T2耦合,推动扬声器BL发音。

图3-12收音机应用的甲类功率放大器
提示:甲类功率放大器的应用还是比较广泛的,除了应用在彩色电视机的行激励等电路,还应用在大功率放大器中作为推动级。
乙类功率放大器
乙类功率放大器没有偏置电阻,所以静态电流为0,也就是在激励信号的正半周期间导通,而在负半周期间截止。为了使放大电路在整个信号周期都可以工作,乙类功率放大器多采用两个不同极性的三极管轮流工作,从而构成了乙类互补推挽放大器。典型的乙类互补推挽放大器如图3-13所示。
其中,变压器耦合式的乙类互补推挽放大器主要应用在扩音机等电路中,而无变压器式乙类互补推挽放大器主要应用在大功率放大器或开关电源内作为推动级。下面以图3-13(a)所示电路为例介绍乙类功率放大器的工作原理。

参见图3-13(a),静态时,VT1、VT2因基极没有导通电压输入而截止。当输入信号Ui的正半周加到激励变压器T1的一次绕组后,它的两个二次绕组耦合输出的信号都为上正、下负,使VT2截止、VT1导通,产生集电极电流Ic1,该电流经输出变压器T2耦合到二次绕组,形成输出信号的上半周;Ui的负半周信号经T1耦合后,它的两个二次绕组输出的信号都为下正、上负,使VT1截止、VT2导通,产生集电极电流Ic2,该电流经输出变压器T2耦合到二次绕组,形成输出信号的负半周。这样,就可以得到一个完整的信号。
虽然乙类互补推挽放大器的静态电流为0,降低了功耗,提高了效率,但在输入信号的初期和末期,它的幅度低于三极管的导通电压时,三极管就会截止,导致正、负半周交接部分的信号不能被放大,产生图3-14所示的交越失真。

甲乙类功率放大器
甲乙类功率放大器的工作介于甲类和乙类之间,它是目前应用较多的功率放大器之一。此类放大器通过偏置电阻为两只推挽放大管提供较小的静态工作电流,每个三极管导通的时间大于信号的半个周期。这样,整个周期的输入信号都能被放大,从而抑制了交越失真。典型的甲乙类功率放大器如图3-15所示。
其中,变压器耦合式的甲乙类互补推挽放大器已基本淘汰,目前应用较多的是无变压器式甲乙类互补推挽放大器。因此,下面以图3-15(b)所示电路为例介绍甲乙类功率放大器的工作原理。

参见图3-15(b),正、负电源+VCC、?VCC分别通过偏置电阻R1、R2加到放大管VT1、VT2的基极,为它们提供一个较小的静态电流。
当输入信号Ui的正半周信号不仅通过VD1、VD2、R3加到VT2的基极使它截止,而且加到VT1的基极,使VT1导通时,它的集电极电流Ic1由+VCC经VT1、RL到地构成回路,形成输出信号的上半周;当Ui的负半周信号加到VT1的基极后VT1截止,而VT2导通,它的集电极电流Ic2由地、RL、VT2到?VCC构成回路,形成输出信号的负半周。这样,就可以得到一个完整的信号。
〈烜芯微/XXW〉专业制造二极管,三极管,MOS管,桥堆等,20年,工厂直销省20%,上万家电路电器生产企业选用,专业的工程师帮您稳定好每一批产品,如果您有遇到什么需要帮助解决的,可以直接联系下方的联系号码或加QQ/微信,由我们的销售经理给您精准的报价以及产品介绍
联系号码:18923864027(同微信)
QQ:709211280