提到电容选型,大家第一印象是额定电压还有精度,很少会想到纹波电流这个参数,其实这个参数还是很重要的。你可能不熟悉纹波电流这个术语,你可以简单的把它理解成通过电容器的电流的术语。
在理想情况下,当电容器安装在直流电压电源上时,根据电容隔直通交的特性,没有电流会流向电容器。但是,如果电容两端的实际电压不是单纯的直流电压时,比如电压有微小的波动,此时电容就会发生充放电,就会产生纹波电流。对于小功率电路,电压变化非常小,可忽略不计,此时一般不必担心这个纹波电流额定值。

然而,当电容对于过滤来自整流器的脉动直流电压时,此时纹波电流这个参数就至关重要。这是因为负载电流越高,纹波电流就越大。那么,我们如何在这种条件下选择电容器呢?
对于整流电路,大多数时候需要更大的电容才能获得接近直线的电压。因此,第一种选择是考虑使用电解电容器,但是在某些纹波电流非常高的应用中,电解电容将也会出现问题,这是因为它的纹波电流较小。
在这种情况下,可以选择薄膜电容器,这是因为薄膜电容器具有非常高的纹波电流额定值。然而,它缺点是薄膜电容器的容值较小,仅限于几个微法拉,因此需要更多的薄膜电容器并联。
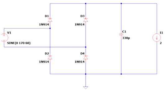
比如考虑到下面的整流器电路,一个330uF的滤波电容和一个2A的负载,交流电源是120Vrms,60Hz 。

纹波电流的计算方式如下:
纹波电流=C*dV*f
其中:
纹波电流:流向电容器的实际纹波电流
C:电路中的电容
dV:这是输入电压从零到峰值的变化
f:输入交流电压的频率
〈烜芯微/XXW〉专业制造二极管,三极管,MOS管,桥堆等,20年,工厂直销省20%,上万家电路电器生产企业选用,专业的工程师帮您稳定好每一批产品,如果您有遇到什么需要帮助解决的,可以直接联系下方的联系号码或加QQ/微信,由我们的销售经理给您精准的报价以及产品介绍
联系号码:18923864027(同微信)
QQ:709211280