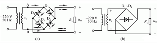
单相桥式整流电路
单相半波整流电路的缺点是只利用了电源的半个周期,同时整流电压的脉动较大。

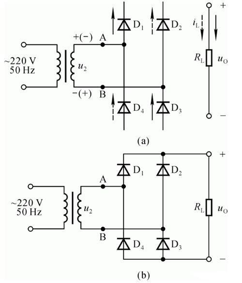
图1,单相桥式整流电路
上图全波整流电路可以克服这些缺点,其中最常用的是单相桥式整流电路(如上图b所示),它是由四个二极管接成电桥的形式构成的。

图2,单相桥式整流电路
上图(a)所示为单相桥式整流电路中的电流方向,其中实线箭头表示交流电源处于正半周时的情况,虚线箭头则为交流电源处于正半周时的情况。
可见,四个二极管分为两组,正负半周轮流导通,但负载上电流方向不变,此即为全波整流。
上图为单相桥式整流电路的习惯画法。在实际应用中,单相桥式整流电路可以用四个独立的整流二极管实现,也可以用集成器件“桥堆”来实现。
下图为单相桥式整流电路的波形图,根据波形图可知,单相桥式整流电压的平均值为: Uo ≈ 0.9U2(U2为变压器副边输出电压的有效值)。


〈烜芯微/XXW〉专业制造二极管,三极管,MOS管,桥堆等,20年,工厂直销省20%,上万家电路电器生产企业选用,专业的工程师帮您稳定好每一批产品,如果您有遇到什么需要帮助解决的,可以直接联系下方的联系号码或加QQ/微信,由我们的销售经理给您精准的报价以及产品介绍
联系号码:18923864027(同微信)
QQ:709211280