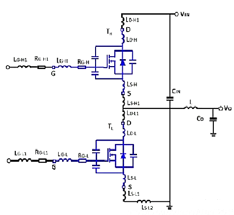
下面是BUCK同步整流的实际等效模型,包括很多寄生电感,比如器件的引线电感,布线的寄生电感等。

负压产生的原因:当上管关断下管导通的过程中,由于输出电感电流不能突变的特性 ,上管电流减小,下管电流增加,下管回路的寄生电感会感应出下正上负的电压,下为0,所以上也就是开关节点为负压。注意这里,下管没驱动的时候,走体二极管。
那这个感应电压与Ldi/dt,即寄生电感的大小有关,电流的变化率有关,即开关频率有关。

当然在测试时,注意探头的影响,以最小环路测试。
影响
那产生这个负压有什么影响呢?
1.上管因为过压而损坏
因为关断时,上管D端为电源,S端为负,导致DS两端的电压过高,而损坏器件。
2.上下管直通
开关节点SW的电压为负,上管在关断时,Vgs可能因为s负的太多,导致上管导通,导致上下管直通,产生过流损坏管子。
解决方法
1.降低上管的关断速度
驱动串电阻
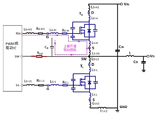
上管自举驱动电路VB和CB之间外加串联电阻
增加上管源极外部串联的PCB引线电感
2.IC的SW管脚和开关节点之间串联电阻

注意RSW放在CB电容的左边,可以不影响开通速度,放在右边会影响。
3.IC的地端串联电阻
PWM或驱动IC的地端与输入电容的地端串联电阻,同样可以降低负压电流,实际应用中,不推荐这种方式。
4.IC的SW管脚和地之间并联稳压管
〈烜芯微/XXW〉专业制造二极管,三极管,MOS管,桥堆等,20年,工厂直销省20%,上万家电路电器生产企业选用,专业的工程师帮您稳定好每一批产品,如果您有遇到什么需要帮助解决的,可以直接联系下方的联系号码或加QQ/微信,由我们的销售经理给您精准的报价以及产品介绍
联系号码:18923864027(同微信)
QQ:709211280