同步整流是采用通态电阻极低的专用功率MOSFET,来取代整流二极管以降低整流损耗的一项新技术。它能大大提高DC/DC变换器的效率并且不存在由肖特基势垒电压而造成的死区电压。
Buck电路是由一个功率晶体管开关Q与负载串联构成的,其电路如图3.1。驱动信号ub周期地控制功率晶体管Q的导通与截止,当晶体管导通时,若忽略其饱和压降,输出电压uo等于输入电压;当晶体管截止时,若忽略晶体管的漏电流,输出电压为0。电路的主要工作波形如图3.2。

同步整流buck电路原理
同步整流buck电路图如下:

同步整流结构:用功率mosfet替代整流二极管,可以提高转换器效率。
buck变换器的输出电压平均值总是小于输入电压
当流过电感的电流在每个周期不会降为0时,定义变换器工作于连续导通模式。

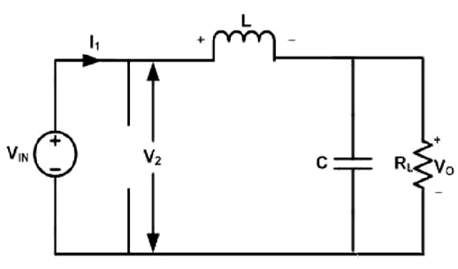
变换器开关导通时等效电路图

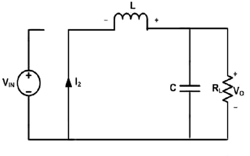
变换器开关管关断时等效电路图如图:


在整个开关周期内,电感都传递能量给滤波电容和负载,而滤波电容每个周期的平均电流为0,其能量的变化量为0。故输出负载电流等于电感电流平均值:

〈烜芯微/XXW〉专业制造二极管,三极管,MOS管,桥堆等,20年,工厂直销省20%,上万家电路电器生产企业选用,专业的工程师帮您稳定好每一批产品,如果您有遇到什么需要帮助解决的,可以直接联系下方的联系号码或加QQ/微信,由我们的销售经理给您精准的报价以及产品介绍
联系号码:18923864027(同微信)
QQ:709211280