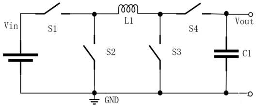
4开关BOB电源全称是BUCK or BOOST升降压电源,顾名思义,既可以降压,又可以升压,兼容BUCK和BOOST电源的功能。
下图是4开关BOB电源的拓扑示意图,4个开关带一个电感,通过控制开关的导通、断开的不同状态来衍生出不同的电源架构。

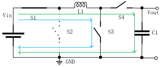
降压模式
当S4处于常闭、S3处于常开状态时,反复开关的管子是S1和S2,这就构成了BUCK降压结构。下图就是BUCK的结构,有S1、S2两个工作管子,这种BUCK被称为同步BUCK,效率会高一些。
有两种工作周期,1:S1闭合、S2断开,对电感L1充电,见下图绿色曲线;2:S1断开、S2闭合,电感对负载放电,见下图蓝色曲线。

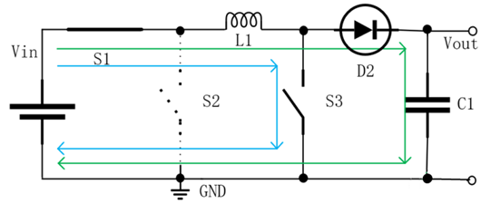
将上图中的S2代替为二极管也可以起到降压作用,然而效率会降低一些,二极管会消耗一部分功率,这种结构被称为非同步BUCK,只有S1一个管子动作。
当S1闭合时,对电感L1充电,见下图绿色曲线;当S1断开时,电感L1通过负载——>二极管D2进行放电,见下图蓝色曲线。

对于非同步BUCK,如果在上图中SW点开关节点位置测量电压,会发现一个奇怪的负电压,如下图红色圈圈中那样,这是因为二极管需要有一个导通低电压,一般是0.7V,就刚好出现这个小小的负电压。
升压模式
当S1处于常闭、S2处于??刺保锤纯氐墓茏邮荢3和S4,这就构成了boost升压结构。
下图就是BOOST的结构,有S3、S4两个工作管子,有两种工作周期,1:S3闭合、S4断开,对电感L1充电,见下图蓝色曲线;2:S3断开、S4闭合,电感对负载放电,见下图绿色曲线。

同样地,也可以把S4代替为二极管,依然实现升压结构。

总而言之,4开关架构电源,通过对开关进行配置,可以自由工作在降压或者是升压的模式。
〈烜芯微/XXW〉专业制造二极管,三极管,MOS管,桥堆等,20年,工厂直销省20%,上万家电路电器生产企业选用,专业的工程师帮您稳定好每一批产品,如果您有遇到什么需要帮助解决的,可以直接联系下方的联系号码或加QQ/微信,由我们的销售经理给您精准的报价以及产品介绍
联系号码:18923864027(同微信)
QQ:709211280