DC-DC原理框图


线性电源、开关电源哪个更好?
线性电源:优点:外围器件少,PCB面积小,无开关噪声,纹波?。蝗钡悖航笛故涑?,效率低,功耗大。
开关电源:优点:可升压、降压,效率高;缺点:电路设计复杂,外围器件多,输出纹波大,费用高。
LDO
LDO即low?dropout?regulator,低压差线性稳压器,各种整流器的输出电压不仅受市电电压变化的影响,还受负载变化的影响。为了保证供电电压稳定不变,几乎所有的电子设备都采用稳压器供电。
分类及原理
根据采用晶体管类型的不同,LDO可分为双极型和CMOS型。其中,双极型又有PNP和NPN两种,CMOS型又有P-MOSFET和N-MOSFET两种。双极型英文又可以简称为BJT。
1.CMOS型LDO的原理电路图如下。能支持非常低的压降、低静态电流、改善的噪声性能和低电源抑制,但P-MOS的成本更高一些。
2.双极型LDO的原理电路图如下。具有高输入电压的优点,且拥有更好的瞬态响应,但需要更高的压降电压。
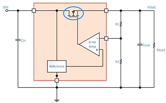
LDO内部结构图-N通道MOS稳压器:

工作原理:
1.电路开始启动,恒流源给整个电路提供偏执,基准源电压快速建立
2.输出随着输入不断上升,输出达到规定值,输出反馈电压和基准电压经过比较器产生负反馈信号,作用于MOS管,保证了输出电压的稳定
3.这个闭环回路将使输出电压保持不变,实现了低压差的稳压,Vout = Vref * ( R1 + R2 ) / R2,Vref - 基准电压。
实际LDO的结构比图中要复杂,包括启动电路、恒流源偏置单元、使能电路、调整元件、基准源、误差放大器、反馈电阻网络,?;さ缏返取?/div>
LDO和DC-DC的对比
1、DC-DC包括boost(升压)、buck(降压)、Boost/buck(升/降压)和反相结构,具有高效率、高输出电流、低静态电流等特点,随着集成度的提高,许多新型DC-DC转换器的外围电路仅需电感和滤波电容,优点是效率高,输入电压范围较宽,但是输入输出的压差相对LDO要求较大,负载响应比LDO差,输出纹波比LDO大。
2、LDO:低压差线性稳压器的突出优点是具有最低的成本,最低的噪声和最低的静态电流。它的外围器件也很少,通常只有一两个旁路电容。新型LDO可达到以下指标:30μV输出噪声、60dBPSRR、6μA静态电流及100mV的压差,LDO 一般应用于压差低的电源转换,功耗低,纹波小,效率低(低压差电源转换时,效率大大提高)
〈烜芯微/XXW〉专业制造二极管,三极管,MOS管,桥堆等,20年,工厂直销省20%,上万家电路电器生产企业选用,专业的工程师帮您稳定好每一批产品,如果您有遇到什么需要帮助解决的,可以直接联系下方的联系号码或加QQ/微信,由我们的销售经理给您精准的报价以及产品介绍
联系号码:18923864027(同微信)
QQ:709211280
- 上一篇:单片机,负压产生电路图解
- 下一篇:PMOS LDO原理,特性图文解析
相关阅读