脉冲功率放大器设计
电路设计
设计的宽频带大功率脉冲放大器???要求工作频段大于4个倍频程,而且输出功率大,对谐波和杂波有较高的抑制能力;另外由于谐波是在工作频带内,因此要求放大器??榫哂泻芨叩南咝远取?/div>
针对设计要求,设计中射频功率放大器放大链采用三级场效应管,全部选用MOSFET。每级放大均采用AB类功率放大模式,且均选用推挽式,以保证功率放大器??榭梢钥泶ぷ鳌?/div>
考虑到供电电源通常使用正电压比较方便,因此选用增强型MOS场效应管。另外为了展宽频带和输出大功率,采用传输线宽带匹配技术和反馈电路,以达到设计要求。
由于本射频功率放大器输出要求为大功率脉冲式发射,因此要求第一、二级使用的MOSFET应具备快速开关切换,以保证脉冲调制信号的下降沿和上升沿完好,减少杂波和谐波的干扰。
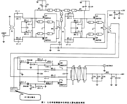
设计中第一、二级功率放大选用MOSFET为IRF510和IRF530。最后一级功放要求输出脉冲功率达到1200W,为避免使用功率合成技术,选用MOSPRT MRFl57作为最后的功率输出级。所设计的射频脉冲功率放大器电路原理图如图1所示。

发射通道的建立都是在信号源产生射频信号后经过几级的中间级放大才把信号输入到功率放大级,最后通过天线把射频信号发射出去。
图1中,输入信号为20~21dBm,50Ω输入;工作电压为15V和一48V,其中15V为第一、二级功放提供工作电压,48V为最后一级功放提供工作电压;6V稳压输出可以使用15V或48V进行稳压变换,电路整体设计采用AB类功率放大,设计的驻波比为1.9。
经过中间级放大后的信号,首先通过Tl(4:1)阻抗变换后进入功率放大器。在信号的上半周期Q1导通,信号的下半周期Q2导通;然后轮流通过T2(16:1)阻抗变换进入第二级放大,同样信号的上半周期Q3导通,下半周期Q4导通,完成整个信号全周期的能量放大;进入最后一级放大时使用T3(4:1)阻抗变换,以继续增加工作电流驱动大功率MOSFETMRFl57。为保证50Ω输出,输出端的阻抗变换为T4(1:9)。
电路中使用负反馈电路的目的是在整个带宽频率响应内产生一个相对平稳的功率增益,保持增益的线性度,同时引进负反馈电路,有利于改善输入回损和低频端信号功率放大的稳定性。
另外每一级电路设计中,都使用了滑动变阻器来设置每个管子的偏置电压,这样做大大降低了交越失真的发生,尽可能使放大信号在上、下半周期的波形不失真。
电路板(PCB)和传输线变压器设计
为保证整个频带内信号放大的一致性,降低杂波和谐波的影响,宽频带高功率射频放大器采用了AB类功率放大,以保证电路的对称性。
在设计PCB时,尽量保证铜膜走线的形式对称,长度相同。为便于PcB板介电常数的选取,整个PCB板为铅锡光板。在信号输入和输出端使用了Smith圆图软件计算和仿真铜膜走线的形状、尺寸,以确保阻抗特性良好匹配。
设计中的关键技术之一就是传输线变压器的设计和制作。利用传输线阻抗变换器可以完成信号源与功率MOSFET管输入端或输出端之间的阻抗匹配。可以最大限度地利用管子本身的带宽潜能。
传输线变压器在设计使用上有两点必须注意:一是源阻抗、负载阻抗和传输线阻抗的匹配关系;二是输入端和输出端必须满足规定的连接及接地方式。由于设计中采用了AB类功率放大方式,因此初级线圈的输入与次级线圈的输出要尽可能保证对称。
设计中一共使用了T1、T2、T3、T4 4个传输线变压器。在前两级功率放大时,T1和T2的次级线圈都是一圈,T3的次级线圈是二圈,这是因为磁材料的饱和经常发生在低频端,增加T3的初、次级线圈数,有利于改善低频端性能。
T1、T2、T3使用同轴线SFF-1.5-1的芯线作为初级线圈传输线,次级线圈采用铜箔材料设计,使用厚度为O.8mm的铜箔。T4为进口外购的高功率传输线变压器(型号:RF2067-3R)。设计的T1如图2所示。

图2中深色区域代表覆铜区域。铜箔管首先穿过磁环后再穿过两端的铜膜板并焊接在一起,完成次级线圈。T2的设计基本与Tl相似,只是使用同轴线SFF-1.5-l的芯线缠绕的初级线圈圈数不同而已。
73次级线圈的制作有些变化,目的是加强低频信号的通过程度。不使用铜箔管,而使用铜箔弯曲成弧形。如图3所示。

在每个磁环孔中穿过两个铜箔片,分别与两端的铜膜板焊接,这样整个线圈的次级线圈就是两圈,然后根据阻抗比完成初级线圈的缠绕。这样做的目的是在固定的阻抗比的情况下增加初、次级的圈数以改善放大器的低频特性。
散热设计
凡是射频功率放大,其输出功率很大,管子的功耗也大,发热量非常高,因此必须对管子散热。根据每一级管子的功耗PD以及管子的热特性指标,这些热指标包括器件管芯传到器件外壳的热阻ROJC,器件允许的结温为T1、工作环境温度为TA等,可以计算出需要使用的散热材料的 尺寸大小和种类。本设计中,器件的工作环境温度为55℃,使用的铝质散热片尺寸为290mm×110mm×35mm,而且需要使用直流风机对最后一级MOSFET进行散热处理。
〈烜芯微/XXW〉专业制造二极管,三极管,MOS管,桥堆等,20年,工厂直销省20%,上万家电路电器生产企业选用,专业的工程师帮您稳定好每一批产品,如果您有遇到什么需要帮助解决的,可以直接联系下方的联系号码或加QQ/微信,由我们的销售经理给您精准的报价以及产品介绍
联系号码:18923864027(同微信)
QQ:709211280
相关阅读
最新资讯
- 怎么用TVS二极管提高电路的抗突波能力
- PIN二极管的电导调制机制和应用介绍
- 基于双MOS管的防反灌电路工作原理介绍
- 高效率整流二极管的特性和应用介绍
- 详解稳压二极管的关键特性和应用原理
- MOS管选型关键因素分析,怎么选择合适的参数
- 三相整流电路分析,半波整流与全波整流的工作原理
- IGBT三相全桥整流电路工作原理介绍
- 详解快恢复二极管,结构,特性和应用介绍
- 三极管和MOS管组合式开关电路分析
联系烜芯微
咨询热线:
18923864027
传真:
18923864027
QQ:
709211280
地址:
深圳市福田区振中路84号爱华科研楼7层