讲解几种拓扑结构的工作细节
降压调整器:
连续导电
临界导电
不连续导电
升压调整器 (连续导电):
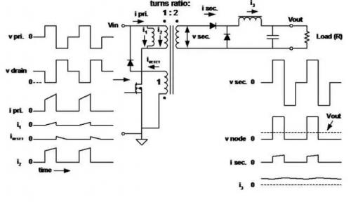
变压器工作
反激变压器
正激变压器
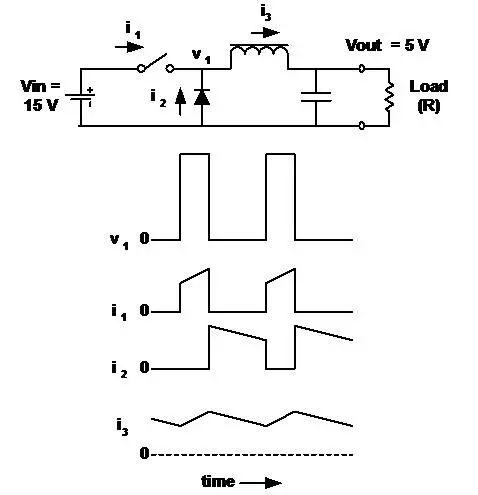
Buck- 降压调整器 - 连续导电

电感电流连续。
Vout 是其输入电压 (V1)的均值。
输出电压为输入电压乘以开关的负荷比 (D)。
接通时,电感电流从电池流出。
开关断开时电流流过二极管。
忽略开关和电感中的损耗, D 与负载电流无关。
降压调整器和其派生电路的特征是:
输入电流不连续 (斩波), 输出电流连续 (平滑)。
Buck- 降压调整器 - 临界导电

电感电流仍然是连续的,只是当开关再次接通时 “达到”零。
这被称为 “临界导电”。
输出电压仍等于输入电压乘以 D。
Buck- 降压调整器 - 不连续导电

在这种情况下,电感中的电流在每个周期的一段时间中为零。
输出电压仍然 (始终)是 v1 的平均值。
输出电压不是输入电压乘以开关的负荷比 (D)。
当负载电流低于临界值时,D 随着负载电流而变化(而 Vout 保持不变)。
Boost 升压调整器

输出电压始终大于(或等于)输入电压。
输入电流连续,输出电流不连续(与降压调整器相反)。
输出电压与负荷比(D)之间的关系不如在降压调整器中那么简单。在连续导电的情况下:

在本例中,Vin = 5,
Vout = 15, and D = 2/3.
Vout = 15,D = 2/3.
变压器工作(包括初级电感的作用)

变压器看作理想变压器,它的初级(磁化)电感与初级并联。
反激变压器

此处初级电感很低,用于确定峰值电流和存储的能量。当初级开关断开时,能量传送到次级。
Forward 正激变换变压器

初级电感很高,因为无需存储能量。
磁化电流 (i1) 流入 “磁化电感”,使磁芯在初级开关断开后去磁 (电压反向)。
〈烜芯微/XXW〉专业制造二极管,三极管,MOS管,桥堆等,20年,工厂直销省20%,上万家电路电器生产企业选用,专业的工程师帮您稳定好每一批产品,如果您有遇到什么需要帮助解决的,可以直接联系下方的联系号码或加QQ/微信,由我们的销售经理给您精准的报价以及产品介绍
联系号码:18923864027(同微信)
QQ:709211280