直流有刷电机并联小电容
下图为直流有刷电机驱动的一个简单电路示意图,本文主要是讨论电机旁并联电容的作用,并没有画出完整的驱动电路。

为什么电机旁要并一个小电容C1,它有什么作用?现在一起来讨论下。
先来看下有刷直流电机的大概结构,如下图所示.将此结构放到驱动电路中,如图1所示

当前时刻,电刷正极和换向器B1接触,电刷负极和换向器B2相连,同时MOS1和MOS4导通,MOS3和MOS2关闭,则线圈L1中有电流流过,如图2所示。此时电机开始转动,换向器也跟着转动。
某一时刻,电机转到了图3中所示的位置,换向器B3开始和电刷正极接触,此时换向器B1也和电刷正极有接触,线圈L1和L2中均有电流流过,如图4所示,电机继续转动。

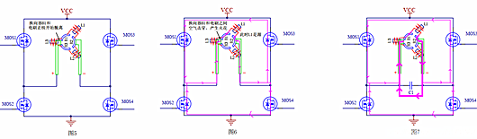
当电机转动到某一时刻,换向器B1和电刷正极开始脱离,如图5所示,我们分析这一瞬间发生了什么,假设没有C1电容。

因为前一时刻,线圈L1上有电流持续流过。所以当换向器B1和电刷正极开始脱离的瞬间,线圈L1的电流不能突变,此时L1线圈两端感应出很高的反向电动势,来维持电流原来的方向。
电流的方向从线圈L1的一端流出,它要寻找一个回路,回到线圈的另一端,可以来看下此时电流的回路是怎么样的。
首先,L1线圈的左边感应出很高的反向电动势,此感应电动势将比VCC要高,电流依然从左到右流动,通过电刷负极流到MOS3和MOS4的中点,此时,MOS1和MOS4还是导通的,MOS3和MOS2依然是关闭状态。
则此时线圈L1的电流可以分两个方向流动,一个是通过MOS4的DS,然后到地,然后通过MOS2的体二极管,流到电刷正极。
另外一个方向是通过MOS3的体二极管,然到是VCC线,然后通过MOS1的DS,流到电刷正极,电流的最终目的是要通过换向器B1,回到线圈的另一端。但是此时换向器B1和电刷已经分离出缝隙,不能形成回路。
电流还存在,反向感应电动势也很大,因此,电刷正极和换向器之间的空气会被这个很大的反向感应电动势击穿,从而产生火花。
上面描述的两条电流路径如图6所示。可以看到,由线圈L1产生的反向感应同时流到了地和VCC,回流路径比较长,会使得电源线上产生较大的EMI干扰,影响到其他电路。
那么怎么样让这个干扰的影响降至最低呢,降低或消除干扰,可以从源、回路、阻抗这三个方面来想办法。
要么让干扰源不存在,要么缩短干扰的回路面积,要么增大回路上的阻抗,阻止干扰通过。
先来看下干扰源,源是线圈L1,要想干扰源不存在,就要把线圈拿掉,这显然是无法做到的。增加回路阻抗是可以,但是这样流过电机的电流也变小,力和速度也就降低了,也不合适。
那么,只有缩短回路面积,尽可能的让干扰形成最短的回路,尽可能不让它通过电源或地线形成回路,因此在电机旁并小电容的作用就体现出来了。
并了小电容后,线圈L1回流路径,如图7所示,这时流过小电容的电流是主要回路,如图中粗线所示,而流过电源和地的是次要回路,如图中细线所示,因此电源线上的干扰将大大减少。
综上所述,直流有刷电机并联小电容的作用是减少干扰源的回路面积,降低干扰源对其他电路的影响。
至于为什么并联的小电容,而不是大电容呢,那是因为由反向感应电动势产生虽然很高,但维持的时间很短,是一种尖峰脉冲,包含丰富的高次谐波,因此需要较小电容来吸收??梢匝≡?.1uF左右的电容或实际调试观察波形来选择合适的电容。
〈烜芯微/XXW〉专业制造二极管,三极管,MOS管,桥堆等,20年,工厂直销省20%,上万家电路电器生产企业选用,专业的工程师帮您稳定好每一批产品,如果您有遇到什么需要帮助解决的,可以直接联系下方的联系号码或加QQ/微信,由我们的销售经理给您精准的报价以及产品介绍
联系号码:18923864027(同微信)
QQ:709211280