直流电机的调速范围广,过载能力比较强,可以实现频繁的无级快速启动、制动和反转,可以满足生产过程中自动化系统各种不同的特殊运行要求,以下是几个简单的直流电机调速电路图。
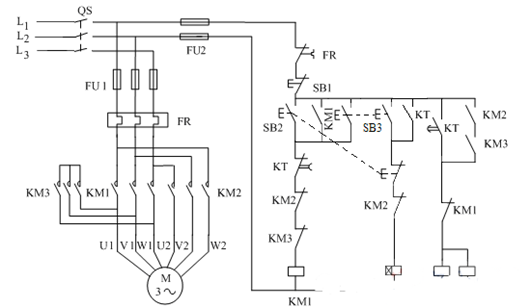
直流电机调速电路图一

上图中,合上电源开关 QS ,按下 SB2 低速起动按钮,接触器 KM1 线圈得电并自锁, KM1 的主触点闭合,电动机 M 的绕组连接成△形并以低速运转。由于 SB2 的动断触点断开,时间继电器线圈 KT 不得电。
按下高速起动按钮SB3,接触器 KM1 线圈得电并自锁,电动机 M 连接成△形低速起动;
因为SB3 是复合按钮,时间继电器 KT 线圈同时得电吸合, KT 瞬时动合触点闭合自锁,经过一定时间后, KT 延时动断触点分断,接触器KM1线圈失电释放,KM1主触点断开,KT延时动合触点闭合,接触器KM2、KM3线圈得电并自锁, KM2、KM3主触点同时闭合,电动机 M 的绕组连接成 YY 形并以高速运行。
直流电机调速电路图二

图中,由U1a、U1d组成振荡器电路,提供频率约为400Hz的方波/三角形波。U1c产生6V的参考电压作为振荡器电路的虚拟地。这是为了振荡器电路能在单电源情况下也能工作而不需要用正负双电源。
U1b这里接成比较器的形式,它的反相输入端(6脚)接入电阻R6、R7和VR1,用来提供比较器的参考电压。这个电压与U1d的输出端(14脚)的三角形波电压进行比较。
当该波形电压高于U1b的6脚电压.U1b的7脚输出为高电平;反之,当该波形电压低于U1b的6脚电压,U1b的7脚输出为低电平。由此我们可知,改变U1b的6脚电位使其与输入三角形波电压进行比较。
就可以增加或减小输出方波的宽度,实现脉宽调制(PWM)。电阻R6、R7用于控制VR1的结束点,保证在调节VR1时可以实现输出为全开(全速或全亮)或全关(停转或全灭),其实际的阻值可能会根据实际电路不同有所改变。
D1是用来防止电机的反电动势损坏Q1。 当使用24v的电源电压时,图1电路通过U2将24V转换成12V供控制电路使用。而Q1可以直接在21v电源上,对于Q1来讲这与接在12v电源上没有什么区别。
直流电机调速电路图三

在AB两端产生的被调电压经全波整流后供给电机的电枢绕组,调节W从而达到调速的目的。
全桥二极管虽有续流作用,但电机在转速很低时仍将出现跳动。此时双向可控硅导通时间相当短,在电机反电势的影响下,已处于导通与截止的不稳定临界状态。
解决办法:设法降低双向可控硅反电势负载的影响,给电枢两端并接假负载电阻,使可控硅在导通角小时也能正常工作。
此电阻的选择应以消除电机低速跳动为准。给某一机床所用70W电机并接1k,电阻即可消除跳动。
但在电枢两端并接电阻带来功耗问题,在电机全压高速运行时,电阻上的电压几乎达到220V,则电阻功耗达48.4W,这已达到了不能容忍的程度。
然后,将电阻并接在整流桥交流两输入端(即图中的AB两点),则电阻的功耗可大大降低。
同样是70W电机,此时并接的电阻阻值达20k几时也能有效地消除电机的跳动。此时,电阻在电机全压高速运行时的最大功耗为2.4W。
〈烜芯微/XXW〉专业制造二极管,三极管,MOS管,桥堆等,20年,工厂直销省20%,上万家电路电器生产企业选用,专业的工程师帮您稳定好每一批产品,如果您有遇到什么需要帮助解决的,可以直接联系下方的联系号码或加QQ/微信,由我们的销售经理给您精准的报价以及产品介绍
联系号码:18923864027(同微信)
QQ:709211280