MUR1605,MUR1605快恢复二极管,MUR1605二极管参数
MUR1605快恢复二极管16A 50V,MUR1605参数,MUR1605作用,MUR1605代换,MUR1605二极管引脚参数规格书

MUR1605快恢复二极管16A 50V,MUR1605参数,MUR1605作用,MUR1605代换,MUR1605二极管引脚参数规格书

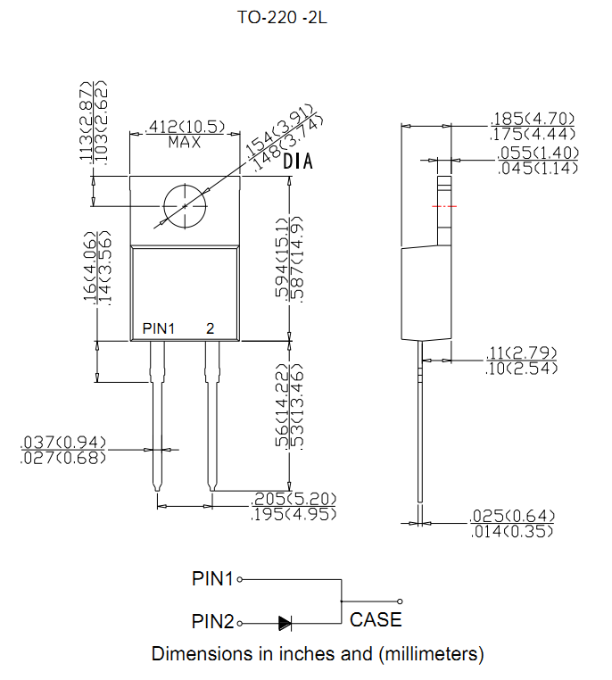
MUR1605快恢复二极管TO220-2L封装规格书:点击下载

Maximum DC blocking voltage VDC 最大直流闭锁电压:50V
Maximum average forward rectified current I(AV) 最大正向平均整流电流:16A
Maximum instantaneous forward voltage at 16A VF 16A时的最大瞬时正向电压:0.975V
Maximum DC reverse current at rated DC blocking voltage TA=25℃ IR 额定直流阻断电压下的最大直流反向电流:5uA
Maximum DC reverse current at rated DC blocking voltage TA=125℃ IR 额定直流阻断电压下的最大直流反向电流:250uA
Operating junction and storage temperature range TJ,TSTG 工作温度和存储温度范围:-55to +175℃
Maximum reverse recovery time 恢复时间:35ns
MUR1605快恢复二极管,TO-220-2L封装尺寸:

〈烜芯微/XXW〉专业制造二极管,三极管,MOS管,桥堆等,20年,工厂直销省20%,上万家电路电器生产企业选用,专业的工程师帮您稳定好每一批产品,如果您有遇到什么需要帮助解决的,可以直接联系下方的联系号码或加QQ/微信,由我们的销售经理给您精准的报价以及产品介绍
?
联系号码:18923864027(同微信)
QQ:709211280