MBRF3040CT,MBRF3040CT肖特基二极管,MBRF3040CT二极管参数
MBRF3040CT肖特基二极管30A 40V,MBRF3040CT参数,MBRF3040CT作用,MBRF3040CT二极管引脚参数规格书
MBRF3040CT肖特基二极管30A 40V,MBRF3040CT参数,MBRF3040CT作用,MBRF3040CT二极管引脚参数规格书

MBRF3040CT肖特基二极管TO-220F封装规格书:点击下载

MBRF3040CT肖特基二极管TO-220,TO-220F封装参数如下:
Maximum repetitive peak reverse voltage VRRM 最大重复峰值反向电压:40V
Maximum DC blocking voltage VDC 最大直流闭锁电压:40V
Maximum average forward rectified current I(AV) 最大正向平均整流电流:30A
Maximum Average Forward Current VF 最大正向电压:0.7V
Maximum DC reverse current at rated DC blocking voltage TA=25℃ IR 额定直流阻断电压下的最大直流反向电流:0.1mA
Maximum DC reverse current at rated DC blocking voltage TA=125℃ IR 额定直流阻断电压下的最大直流反向电流:20.0mA
Operating junction and storage temperature range TJ,TSTG 工作温度和存储温度范围:-55to +175℃
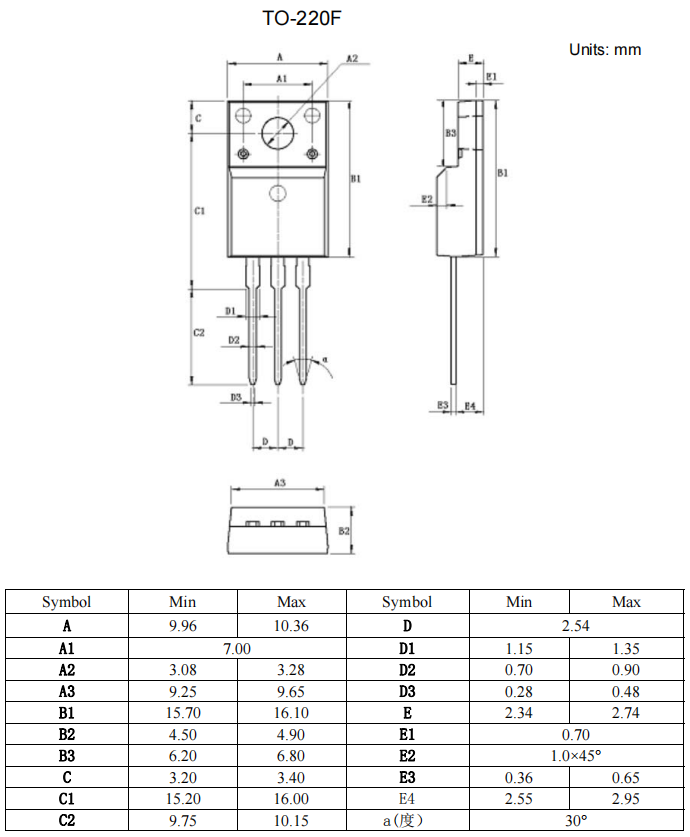
MBRF3040CT肖特基二极管封装,TO-220F封装尺寸:

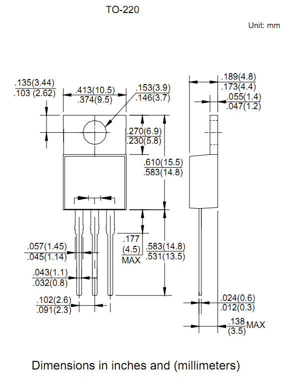
MBRF3040CT肖特基二极管封装,TO-220封装尺寸:

〈烜芯微/XXW〉专业制造二极管,三极管,MOS管,桥堆等,20年,工厂直销省20%,上万家电路电器生产企业选用,专业的工程师帮您稳定好每一批产品,如果您有遇到什么需要帮助解决的,可以直接联系下方的联系号码或加QQ/微信,由我们的销售经理给您精准的报价以及产品介绍
?
联系号码:18923864027(同微信)
QQ:709211280