SMA2EZ6V2,SMA2EZ6V2稳压二极管,6.2V 2W二极管参数规格书
SMA2EZ6V2稳压二极管,SMA2EZ6V2为6.2V 2W的稳压二极管,SMA2EZ6V2参数,SMA2EZ6V2封装规格书
SMA2EZ6V2稳压二极管,SMA2EZ6V2为6.2V 2W的稳压二极管,SMA2EZ6V2参数,SMA2EZ6V2封装规格书

SMA2EZ6V2 DO-214AC/SMA参数封装:点击查看

SMA2EZ6V2封装有DO-214AC(SMA)/DO-214AA(SMB)
SMA2EZ6V2稳压二极管参数如下:
Power Dissipation 功率 PD:2W
Zener Voltage Range 齐纳电压 Nom:6.2V
Zener Voltage Range 稳压电流值 IZT:80.5mA
Dynamic Impedance 动态阻抗:ZZT(at IZT) Max:1.5Ω
Forward Voltage 正向电压 VF:1.2V
Reverse Leakage Current 反向漏电流 IR:5μA
Operating and Storage Temperature Range 操作和储存温度范围 Tj, TSTG:-55to+175℃
SMA2EZ6V2稳压二极管DO-214AC/SMA封装尺寸:


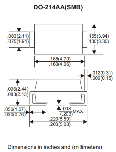
SMA2EZ6V2稳压二极管DO-214AA(SMB)封装尺寸:

〈烜芯微/XXW〉专业制造二极管,三极管,MOS管,桥堆等,20年,工厂直销省20%,上万家电路电器生产企业选用,专业的工程师帮您稳定好每一批产品,如果您有遇到什么需要帮助解决的,可以直接联系下方的联系号码或加QQ/微信,由我们的销售经理给您精准的报价以及产品介绍
联系号码:18923864027(同微信)
QQ:709211280