SMAJ14A瞬态抑制二极管,14VTVS管,14V单向双向TVS二极管
SMAJ14A瞬态抑制二极管,400W丝印BK二极管,14V TVS管规格书参数,SMAJ14A单向TVS管,14V瞬态抑制二极管
SMAJ14A瞬态抑制二极管,400W丝印BK二极管,14V TVS管规格书参数,SMAJ14A单向TVS管,14V瞬态抑制二极管

SMAJ14A SMA封装参数:点击查看

SMAJ14A封装有SMA/SMB/SMC/SOD-123FL
14V瞬态抑制二极管参数如下:
DEVICE MARKING CODE 丝?。築K
Peak Pulse Power Dissipation on 功率损耗Pppm:400W
REVERSE STANDOFF VOLTAGE VRWM (V) 反向对峙电压:14V
BREAKDOWN VOLTAGE VBR (V) MIN. @ IT 崩溃电压(最小):15.6V
BREAKDOWN VOLTAGE VBR (V) MAX. @ IT 崩溃电压(最大):17.2V
TEST CURRENT (IT) mA 测试电流:1mA
MAXIMUM CLAMPING VOLTAGE @IPP VC (V) 最大嵌位电压:23.2V
PEAK PULSE CURRENT IPP (A) 峰值脉冲电流:17.2A
REVERSE LEAKAGE @ VRWM IR (μA) 反向漏电:1μA
Operating Junction Temperature and Storage Temperature Range 工作结温度和存储温度范围 Tj, Tstg:-65~+150℃
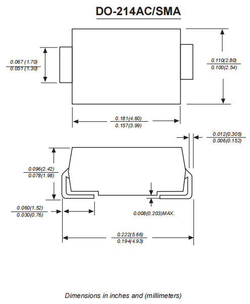
SMAJ14A瞬态抑制二极管,DO-214AC/SMA封装尺寸:


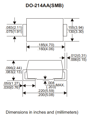
SMAJ14A瞬态抑制二极管,DO-214AA/SMB封装尺寸:


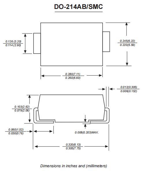
SMAJ14A瞬态抑制二极管,DO-214AB/SMC封装尺寸:


SMAJ14A瞬态抑制二极管,SOD-123FL封装尺寸:

〈烜芯微/XXW〉专业制造二极管,三极管,MOS管,桥堆等,20年,工厂直销省20%,上万家电路电器生产企业选用,专业的工程师帮您稳定好每一批产品,如果您有遇到什么需要帮助解决的,可以直接联系下方的联系号码或加QQ/微信,由我们的销售经理给您精准的报价以及产品介绍
联系号码:18923864027
QQ:709211280