78L05三端稳压器参数,78L05引脚图,78L05规格书资料
78L05三端稳压器参数,78L05三端稳压器封装SOT-23,78L05好坏判断,78L05引脚图和参数
78L05三端稳压器参数,78L05三端稳压器封装SOT-23,78L05好坏判断,78L05引脚图和参数

78L05三端稳压器参数规格书:点击查看

78L05三端稳压器,SOT-23封装参数如下:
Maximum output current IOM 最大输出电流:0.1A
Input Voltage 输入电压VI:30V
Output voltage 输出电压VO:5V
Continuous total dissipation 连续总耗散 PD:0.35W(Ta=25℃)
Quiescent current 静态电流Iq(Ta=25℃):Typ=3.8mA Max=6mA
Output noise voItage 流输出噪声电压VN(10Hz≤f≤100KHz):42uV
Ripple rejection 纹波抑制RR(8V≤VI≤20V,f=120Hz,Tj=25℃):Min=41dB Typ=49dB
Dropout voltage 压差Vd:1.7V
Operating junction temperature range 工作结温范围TOPR:0to+125℃
Storage Temperature Range 储存温度范围TSTG:-55to+150℃
78L05三端稳压器,SOT-23封装尺寸:


78L05三端稳压器,SOT-89封装尺寸:


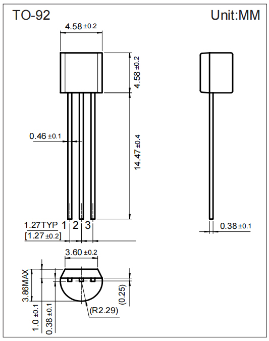
78L05三端稳压器,TO-92封装尺寸:


〈烜芯微/XXW〉专业制造二极管,三极管,MOS管,桥堆等,20年,工厂直销省20%,上万家电路电器生产企业选用,专业的工程师帮您稳定好每一批产品,如果您有遇到什么需要帮助解决的,可以直接联系下方的联系号码或加QQ/微信,由我们的销售经理给您精准的报价以及产品介绍
联系号码:18923864027(同微信)
QQ:709211280