逆变电路的基本工作原理

图1 是单相桥式逆变电路的电阻负载简化电路。
其基本工作原理是:
1)0-t1时间段开关T1和T4闭合,负载电压为正;
2)t1-T时间段开关T3和T2闭合,负载电压为负。
其负载电流的变化在电阻负载下是与电压同相位的,但若是阻感负载,电流的基波滞后于电压的基波并且因为负载电感的存在,其负载电流的变化不是瞬时的,而是一个逐渐增大减小的过程,最终反映在电阻上的电压波形就是跟随阻感负载的电流变化的。
半桥逆变(half-bridge inverter)电路

半桥逆变电路结构简单并且是所有其他逆变电路的基础,因此理解半桥逆变电路的工作原理是很必要的。图 2 是半桥电路的结构并且图中完整描述了半桥逆变电路的工作原理:
1) 当开关T1闭合T2断开时,电流方向如图中步骤 1 所示;
2) 当开关T2闭合T1断开时,开关T2不能立即闭合,且在这一瞬间电感电流的方向不能突变,此时电流流过T2反并联的二极管续流;
3) 电感电流过零后开关T2闭合,电感电流反向流过开关T2;
4) 当开关T2断开T1再次闭合时,同理开关T1不能立即闭合,同前述分析电感电流的方向不能突变,电流流过T1反并联的二极管续流,之后的周期重复上述过程。
步骤 2 和 步骤 4 是能量反馈过程,二极管在其中提供反馈能量通道,同时此过程也是负载电流的续流过程。因此,逆变电路中的二极管可以称为反馈二极管或续流二极管。
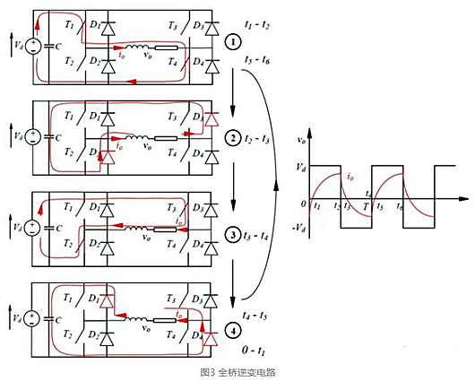
全桥逆变(H-bridge inverter)

全桥逆变器的工作原理和半桥逆变器相似,运行原理图(图 3)。
〈烜芯微/XXW〉专业制造二极管,三极管,MOS管,桥堆等,20年,工厂直销省20%,上万家电路电器生产企业选用,专业的工程师帮您稳定好每一批产品,如果您有遇到什么需要帮助解决的,可以直接联系下方的联系号码或加QQ/微信,由我们的销售经理给您精准的报价以及产品介绍
联系号码:18923864027(同微信)
QQ:709211280