多级放大器电路故障分析
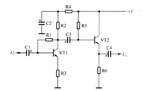
如图所示,以阻容耦合放大器电路为例,进行电路故障分析说明。

关于多级放大器电路故障分析同单级放大器电路的故障分析基本一样,这里再作以下几点补充说明。
1、 当VT1放大级中的直流电路出现故障时,由于C3的隔直作用,不会影响VT2放大级的直流电路工作,但由于第一级放大器电路已经不能正常工作,它没有正常的信号加到第二级放大器电路中,第二级放大器电路虽然能够正常工作,但它没有信号输出。
2、 当第二级放大器电路的直流电路出现故障后,因为C3的存在也不会影响第一级放大器电路直流电路的工作,第一级放大器电路能够输出正常的信号,但由于第二级放大器电路不能正常工作,所以第二级放大器电路也不能够输出正常的信号。
提示:
在多级放大器电路中,只要有一级放大器电路出现问题,整个多级放大器电路均不能输出正常的信号。
3、 当C2开路时,对第二级放大器电路无影响,会使第一级放大器电路输出信号电压有所升高,因为VT1集电极负载电阻增加了R4,在一定范围内集电极负载电阻大电压放大倍数大。
当C2漏电或击穿时,第一级放大器电路直流工作电压变小或无直流电压,同时由于流过R4的电流加大,也会使+V有所下降而影响第二级放大器电路的正常工作,此时整个放大器电路没有输出信号或信号小。
4、 当R4开路时,第一级放大器电路无直流工作电压,不影响第二级放大器电路工作,但整个放大器电路没有输出信号。
直接耦合多级放大器电路故障分析
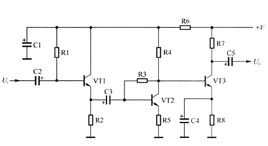
如图所示,是直接耦合两级放大器电路。

第一级放大管VT1集电极与第二级放大管VT2基极直接相连,所以是直接耦合放大器。VT1和VT2的信号都从基极输入,从集电极输出,所以是共发-共发双管直接耦合放大器电路。
关于这一多级放大器电路的故障分析主要说明以下几点。
a、 当R4开路时,VT1没有直流工作电压,同时VT2基极也没有直流电流,此时两只三极管均处于截止状态,无信号输出。
b、 当C2击穿或严重漏电时,VT1和VT2均处于截止状态。
c、 当C2出现击穿或漏电故障时,因直流工作电压为零或太低,影响了VT1正常工作,也影响了VT2正常工作。
d、 当R2开路时,VT1和VT2均不能工作。
e、 当R1开路后,VT1处于截止状态,VT1无集电极电流,这样流过R2的电流全部流入VT2基极,使VT2基极电流很大而处于饱和状态,放大器无信号输出。当R1短路时,VT1处于饱和状态,其集电极直流电压很低,使VT2基极电流偏置电压很低,VT2将处于截止状态。
提示:
由于VT1和VT2两级放大器电路之间是采用直接耦合电路,所以其中一级电路出故障后,将同时影响两级电路的直流工作状态,所以在检查这种直接耦合电路的故障时,要将两级电路作为一个整体来进行检查。
三级放大器电路故障分析
如图所示,是一个由3只三极管构成的三级放大器电路。

电路中,VT1接成共集电极放大器电路,这是输入级放大器电路。VT2接成共发射极放大器电路,这是第二级放大器电路,第一级与第二级放大器电路之间采用电容C3耦合。VT3接成共发射极放大器电路,这是第三级放大器电路,它与第二级电路之间采用直接耦合方式。
关于这一多级放大器电路的故障分析主要说明以下两点:
1、 由于第一级放大器电路与后面两级电路之间采用的是电容耦合,所以当第一级放大器电路中的直流电路出现故障时,对后面两级电路的直流电路没有影响,但没有正常信号加到后面的放大器电路中,同样,后两级放大器电路中的直流电路出现问题,对输入级放大器直流电路也没有影响。
2、 电路中只要有一级放大器出现故障,这一多级放大器电路的输出信号就不正常,但在故障点之前的放大器电路工作是正常的。如VT2放大级存在故障,VT1发射极输出信号是正常的。
〈烜芯微/XXW〉专业制造二极管,三极管,MOS管,桥堆等,20年,工厂直销省20%,上万家电路电器生产企业选用,专业的工程师帮您稳定好每一批产品,如果您有遇到什么需要帮助解决的,可以直接联系下方的联系号码或加QQ/微信,由我们的销售经理给您精准的报价以及产品介绍
联系号码:18923864027(同微信)
QQ:709211280