锂电池低功耗供电电路:DC-DC 5V降压3.3V
1、DC to DC包括boost(升压)、buck(降压)、Boost/buck(升/降压)和反相结构,具有高效率、高输出电流、低静态电流等特点,随着集成度的提高,许多新型DC-DC转换器的外围电路仅需电感和滤波电容;但该类电源控制器的输出纹波和开关噪声较大、成本相对较高。
2、LDO:低压差线性稳压器的突出优点是具有最低的成本,最低的噪声和最低的静态电流。它的外围器件也很少,通常只有一两个旁路电容。新型LDO可达到以下指标:30μV输出噪声、60dBPSRR、6μA静态电流及100mV的压差。
TLV62565/6 器件是针对小型解决方案尺寸和高效率进行优化的同步降压转换器。 此器件集成了能够传送高达 1.5A 输出电流的开关。
此器件借助谷值电流模式控制系统配置,根据自适应接通时间进行工作。 中等或重负载时的典型工作频率为 1.5MHz。 此器件被优化以便即使在使用小型外部组件时也能实现极低的输出电压纹波,并且特有一个出色的负载瞬态响应。
轻负载期间,TLV62565/6 在最低静态电流(典型值 50μA)时自动进入省电模式以在整个负载电流范围内保持高效率。 关断时,流耗减少至小于 1μA。
TLV62565/6 通过一个外部电阻分压器来提供一个可调输出电压。 输出电压启动斜坡由一个内部软启动控制,通常情况下为 250μs。 通过配置使能 (TLV62565) 和电源正常 (TLV62566) 引脚也有可能实现电源排序。 其它诸如过流?;ず凸缺;さ奶匦允悄谥玫?。 TLV62565/6 器件采用 5 引脚 SOT-23 封装。

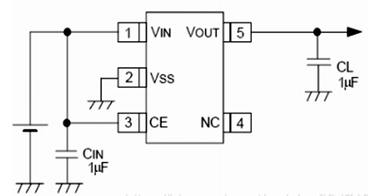
ME6211 系列是以 CMOS 工艺制造的高精度,高纹波抑制比,低噪音, 超快响应低压差线性稳压器。ME6211系列稳压器稳压器内置固定的参考电压源,误差修正电路,限流电路,相位补偿电路以及低内阻的MOSFET,达到高纹波抑制,低输出噪音,超快响应低压差的性能。
ME6211系列兼容体积比钽电容更小的陶瓷电容,而且不需使用0.1μF的By-pass电容, 更能节省空间。ME6211系列的高速响应特性能应付负载电流的波动,所以特别适合使用于手持及射频产品上。通过控制芯片上的CE脚可将输出关断,在关断后的功耗只有1μA以下。

〈烜芯微/XXW〉专业制造二极管,三极管,MOS管,桥堆等,20年,工厂直销省20%,上万家电路电器生产企业选用,专业的工程师帮您稳定好每一批产品,如果您有遇到什么需要帮助解决的,可以直接联系下方的联系号码或加QQ/微信,由我们的销售经理给您精准的报价以及产品介绍
联系号码:18923864027(同微信)
QQ:709211280