
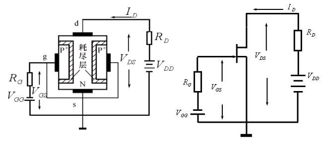
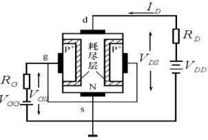
在N区两侧扩散两个P+区,形成两个PN结。两个P+区相连,引出栅极g。N体的上下两端分别引出漏极d和源极s。
导电原理:


(1)VGS=0时,N型棒体导电沟道最宽(N型区)。有了VDS后,沟道中的电流最大。
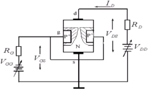
(2)VGS<0时,耗尽层加宽(主要向沟道一测加宽),并向沟道中间延伸,沟道变窄。
当VGS


加上负VGS电压和VDS电压以后,VGD的负压比VGS大,所以,二个反偏PN结的空间电荷区变得上宽下窄,使沟道形成楔形。


JFET通过VGS改变半导体内耗尽层厚度(沟道的截面积)控制iD,称为体内场效应器件;MOSFET主要通过改变衬底表层沟道的厚度来控制iD,称为表面场效应器件。
JFET的伏安特性(以N沟道JFET为例):伏安特性曲线和电流方程与耗尽型MOSFET相似。但VGS必定要反向偏置。

〈烜芯微/XXW〉专业制造二极管,三极管,MOS管,桥堆等,20年,工厂直销省20%,上万家电路电器生产企业选用,专业的工程师帮您稳定好每一批产品,如果您有遇到什么需要帮助解决的,可以直接联系下方的联系号码或加QQ/微信,由我们的销售经理给您精准的报价以及产品介绍

〈烜芯微/XXW〉专业制造二极管,三极管,MOS管,桥堆等,20年,工厂直销省20%,上万家电路电器生产企业选用,专业的工程师帮您稳定好每一批产品,如果您有遇到什么需要帮助解决的,可以直接联系下方的联系号码或加QQ/微信,由我们的销售经理给您精准的报价以及产品介绍
联系号码:18923864027(同微信)
QQ:709211280