先来看一个golden rule:

“gate 和drain的变换方向相反”
“source 和drain的变换方向相同”

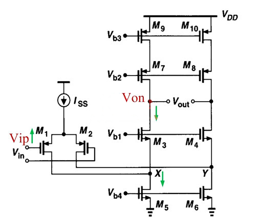
如果M1的gate是Vip,也就是Vi+,那到底哪个output是Vop哪个是Von呢?
根据上面的结论,M1的gate上,则drain下,X点下,左边那个output node通过M3跟随X的变换,也是下。所以,左边那个output node是negative output node,也就是Von。
如何快速的计算运放增益?
其实掌握最基本的公式,也就是gain=gm*Rout,就能快速的推导出运放的增益。
有的管子尺寸大,W/L大,自然gm大;有的W/L小,自然gm小。
但是增益是个数字,是输出的变换量除以输入的变化量,不是gm。Gm的单位是西门子,是电阻的单位欧姆的倒数。
所以增益得计算上这个mos管负载的电阻大小,才能把它变成纯数字。
Mos管本身有个output impedance,也就是所谓的intrinsic gain公式里面的那个东西。这个ro决定了这个mos管可以得到的最大增益。

最大的intrinsic gain只有当Rload为无穷大的时候才能得到。当然了,因为做不到,所以intrinsic gain也只是个参考值。
因为只有输入管input pair受到外界应力的直接作用,所以一般来说,运放的gm就是输入管的gm。
但是算Rout的时候,我们就得仔细看看这个运放的输出端到底是个怎样的结构。

Output上下各是一个cascode。Cascode的等效电阻是gm*ro*ro。稍微精确一些,X和Y点向下看的等效电阻是M1和M5的并联,以及M2和M6的并联,这个并联会让往下看的等效电阻稍微变小一些。一般来说,pmos那边,就是上半部分的等效电阻会比较大。最终的输出等效电阻其实是被下面的nmos那些给制约了。
以上是简单的单级运放的增益计算。
〈烜芯微/XXW〉专业制造二极管,三极管,MOS管,桥堆等,20年,工厂直销省20%,上万家电路电器生产企业选用,专业的工程师帮您稳定好每一批产品,如果您有遇到什么需要帮助解决的,可以直接联系下方的联系号码或加QQ/微信,由我们的销售经理给您精准的报价以及产品介绍
联系号码:18923864027(同微信)
QQ:709211280