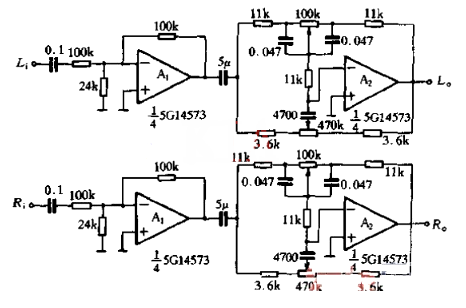
音调电路图(一)
本次的音调控制电路,其中Ai为缓冲放大级,用以降低前级输出的负担。
该电路的低频转折频率为30Hz,高频转折频率为1kHz,控制范围为±20dB.使用运算放大器不仅能设计出具有高低音控制功能的音调电路,而且也能设计出具有高中低音控制功能的音调控制电路,实际电路如下图所示。

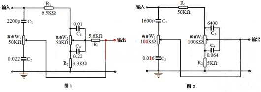
音调电路图(二)
这里有一个电路设计,一个有吸引力的简单的音调控制电路。这个电路是被动式的,它不需要电源,对音频电平没有放大作用,并且有一定的削弱。
可以看出,该电路被构造成两个T形过滤器,以同样的方式作为灵活的低音和高音音调控制。两个T型过滤器左臂连接到音频输入端,右臂连接到地,中心点连接输出端。
P1和P2控制低音高音。想听到更多的低音,你应该把P1向R1的方向移动。而相比之下,更多的高音,你应该在向C3的方向移动P2。
当然,这并不是一个高质量的音调控制电路,但它最适合用于小型放大器,如250毫瓦的放大器。需要注意的是电路工作在线路电平,他们必须进入最后放大阶段再行输出。

音调电路图(三)
给一个不带音调控制功放加装一个高低音电路,即音调控制电路,可以满足渲染某种气氛、达到某种效果、或补偿扬声器系统及放音场所的音响不足。
音调控制就是人为地改变信号里高、低频的成分,这个控制过程其实并没有改变节目里各种声音的音调(频率),所谓“音调控制”只是个习惯叫法,实际上是“高、低音成分调节”或“音色调节”。
一个良好的音调控制电路,要有足够的高、低音调节范围,但又同时要求高、低音从最强到最弱的整个调节过程里,中音信号(通常指1000赫)不发生明显的幅度变化,以保证音量大致不变。

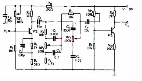
音调电路图(四)
介绍的是一款衰减式的音调控制电路图。本电路主要是由晶体管和RC网所络组成。如下图所示,由于C4、R的分路作用,对高频分量有很大的衰减,相对提升了低音。
当滑动触点位于电位器下端时,C被短路,音频信号通过Q、R5、C3、马送到VTz的基极,由于Q与C串联,由于C3容量较小,对低音信号呈现较大的容抗,低音难以通过,因而低音被衰减了,所以RP2对低音起到了控制作用。

础专是高音控制电位器,当础专的滑动触点位于电位器上端时,音频信号经巴与c5串联送到VT2的基极。由于/C5容量很小,对低音的容抗很大,使低音不能顺利通过,而对高音则可顺利通过。
还由于RP3与C6串联后阻抗很大,对高音的旁路作用不大,这样就相对地提升了高音。当砌、的滑动点位于电位器下端时,高音则因受到RP3的衰减及C6的旁路而减弱,这样高音就被衰减。
〈烜芯微/XXW〉专业制造二极管,三极管,MOS管,桥堆等,20年,工厂直销省20%,上万家电路电器生产企业选用,专业的工程师帮您稳定好每一批产品,如果您有遇到什么需要帮助解决的,可以直接联系下方的联系号码或加QQ/微信,由我们的销售经理给您精准的报价以及产品介绍
联系号码:18923864027(同微信)
QQ:709211280