在带变压器的开关电源拓扑中,开关管关断时,电压和电流的重叠引起的损耗是开关电源损耗的主要部分,同时,由于电路中存在杂散电感和杂散电容,在功率开关管关断时,电路中也会出现过电压并且产生振荡。
如果尖峰电压过高,就会损坏开关管。同时,振荡的存在也会使输出纹波增大。为了降低关断损耗和尖峰电压,需要在开关管两端并联缓冲电路以改善电路的性能。
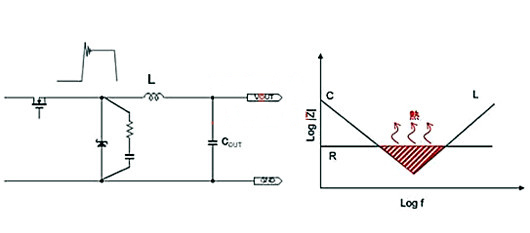
缓冲电路的主要作用有:一是减少导通或关断损耗;二是降低电压或电流尖峰;三是降低dV/dt或dI/dt。由于MOSFET管的电流下降速度很快,所以它的关断损耗很小。
虽然MOSFET管依然使用关断缓冲电路,但它的作用不是减少关断损耗,而是降低变压器漏感尖峰电压。
RC缓冲电路
为了降低开关节点产生的尖峰电压,可考虑增加RC缓冲电路。在下面的示例中,整流二极管关断(高边开关导通)时,RC缓冲电路可将二极管的接合部、寄生电感、寄生电容、PCB版图的电感中积蓄的电荷放电,并通过电阻转换为热,从而降低尖峰电压。

RC的值一般以R=2Ω、C=470pF左右为出发点,通过实际确认来找出最佳值。
需要注意的是,增加缓冲电路会导致开关转换变慢,效率下降,所以需要探讨噪声水平和效率之间的平衡点。
另外,前提是电阻将噪声电压转换为热,所以需要注意电阻的容许损耗。电阻的损耗可通过以下公式计算出来。
损耗=C×VIN2×fSW
缓冲电路不仅可用于低边侧,在高边侧也经常使用。
RC缓冲电路相关参数计算
1.测试原始振铃信号
先把RC都不接,测一下过冲电压的谐振频率

测的是35M

2.计算电容值
把R用0Ω电阻短接掉,焊接一个100pf的电容上去(这个电容必须是C0G材质),然后不断增加电容的值,直到谐振频率降低为原来的0.5倍左右,这时候寄生的电容是你加的电容的1/3;
如下图是加了330pf后,频率刚好为17.5M,寄生电容大概为110pf,那么我们这时候就可以算C的值,C的值大概取4倍寄生电容的值就可以,所以可以选440pf附近的;
当然这个电容值不一定按四倍来选,可以按3~9倍来选,电容越大损耗越高,吸收效果越好。
3.计算寄生电感
由于f=1/2pispr(L*C),上面已经得到寄生电感为110pf,f为35M
可得L为0.118uf
4.计算特征阻抗
由于z=sqr(L/C)
可得:

z为41
5.得出电阻值
我们RC的电阻就可以选41Ω附近的电阻,比41Ω稍微大一点即可。
〈烜芯微/XXW〉专业制造二极管,三极管,MOS管,桥堆等,20年,工厂直销省20%,上万家电路电器生产企业选用,专业的工程师帮您稳定好每一批产品,如果您有遇到什么需要帮助解决的,可以直接联系下方的联系号码或加QQ/微信,由我们的销售经理给您精准的报价以及产品介绍
联系号码:18923864027(同微信)
QQ:709211280