boost升压电路是六种基本斩波电路之一,是一种开关直流升压电路,它可以使输出电压比输入电压高。主要应用于直流电动机传动、单相功率因数校正(PFC)电路及其他交直流电源中。
通常,开关 Q1 导通电感储能,电容 C 供电,在开关 M1 关闭后,产生左负右正电动势使二极管导通并供电。
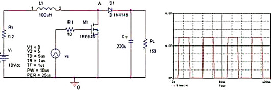
Boost 变换一般也叫升压变换,电感 L 储能,通过 M1 的导通与关断,实现升压目的。

开关管导通时,电源经由电感 - 开关管形成回路,电流在电感中转化为磁能贮存;开关管关断时,电感中的磁能转化为电能在电感端左负右正,此电压叠加在电源正端,经由二极管 - 负载形成回路,完成升压功能。
既然如此,提高转换效率就要从三个方面着手:
1. 尽可能降低开关管导通时回路的阻抗,使电能尽可能多的转化为磁能;
2. 尽可能降低负载回路的阻抗,使磁能尽可能多的转化为电能,同时回路的损耗最低;
3. 要尽可能降低能耗,因为对于电路的转换是没有意义的,不能供能。
boost升压电路原理
当开关断开时,L中存储的能量会通过二极管,给负载放电;同时,Vi也会通过二极管给负载放电,二者叠加,实现升压,放电时间dt=(1-占空比)*开关周期=(1-D)*T。
在开关闭合和断开的两个时间内,电感充电和放电是一样的,有人称之为电感的幅秒特性,其实本质都一样,无外乎是充放电的过程。

boost升压电路作用
对于一个太阳能并网系统,时间和天气都会导致阳光辐射的变化,其功率点的电压就会不断变化,为了提升发电量,保证在阳光弱和强时都能让太阳能电池板都输送出最高的功率,通常逆变器中都会加入boost升压系统来拓宽其工作点的电压。

〈烜芯微/XXW〉专业制造二极管,三极管,MOS管,桥堆等,20年,工厂直销省20%,上万家电路电器生产企业选用,专业的工程师帮您稳定好每一批产品,如果您有遇到什么需要帮助解决的,可以直接联系下方的联系号码或加QQ/微信,由我们的销售经理给您精准的报价以及产品介绍
联系号码:18923864027(同微信)
QQ:709211280