用分立元件做MOS管驱动

图1 分立元件MOS驱动电路
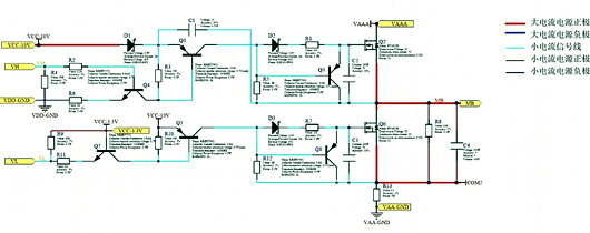
如图1所示,这是用三极管、二极管、电阻、电容分立元件搭建的MOS驱动电路。
分析情况如下:
当VH为高电平,Q4就会导通是的Q1的基极为低电平,同时使得Q1导通,VCC-10V电压通过二极管D1、三极管Q1、二极管D2、电阻R1驱动MOS管Q2的G极;
当VH为低电平,Q4就不会导通,所以Q1的基极没有电流流过也处于截止状态,所以VCC-10V电压不会通过三极管Q1,那么没有电压驱动MOS管Q2的G极,由于MOS管Q2内部寄生电容和电容C2的存在,G极处存在累计电荷,要通过三极管Q3和电阻R5释放掉;
当VL为低电平,Q7基极有电流流过,所以Q5的集电极和发射极导通,导致Q5基极也流过电流,所以VCC-10V电压通过三极管Q5、二极管D3、电阻R7对MOS管的G极进行驱动;
当VL为高电平,Q7基极无电流流过,所以三极管Q7不会导通,那么导致Q5的发射极和基极处于等电位,Q5的基极也无电流流过,Q5也处于截止状态,同理三极管Q8和电阻R12组成放电电路对G极电荷进行放电。
分析驱动电路自举电容的作用
这里面有个元件可能刚上手分析的时候,弄不懂作用,是哪个呢?是电容C1。由于电容上的电压不能突变,这里利用电容这个特性来更好的驱动MOS管的G极,这里你肯定有所疑问,那么没有这个电容就不能驱动吗?答案:不能。
在分析电容C1的作用时,首先需要明白,MOS管导通的条件是:
G极对地电压还是GS之间的电压差?
由于MOS驱动是G极电压和S极电压的电位差,所以当MOS管导通时,VAAA电压直接加到MOS管的S极,(这里假设VAAA电压为12V,G极对地驱动电压为10V)所以MOS管的GS电压差为:
10V-12V=-2V,由于GS之间为负电压,对于N沟道的MOS管,会导致DS之间处于截止状态,所以需要一个电压来抬高G极之间的电压,当然有种方法是直接用高电压电源直接驱动G极,但是通过MOS管的G极耐压都是非常有限的;
那么这个时候电容的作用就体现出来了,当MOS管导通会使得S极电压为VAAA,由于电容的一端与MOS的S极连接,所以这一端电容电压瞬间为VAAA,由于电容上电压不能突变的特性,使得电容另一端电压也增加了VAAA;
所以电容另一端的电压约等于VAAA+VCC-10V,如图2所示,这里用了二极管D1来隔离电容C1上电压和VCC-10V,这样的做法使得MOS管导通后,G极驱动电压克服了S极电压抬高的原因。

图2 驱动电路中自举电容电压的变化
〈烜芯微/XXW〉专业制造二极管,三极管,MOS管,桥堆等,20年,工厂直销省20%,上万家电路电器生产企业选用,专业的工程师帮您稳定好每一批产品,如果您有遇到什么需要帮助解决的,可以直接联系下方的联系号码或加QQ/微信,由我们的销售经理给您精准的报价以及产品介绍
联系号码:18923864027(同微信)
QQ:709211280