555集成电路控制方式比较简单,使用可靠、寿命长,是一种价格低、体积小、便于自制的光电控制开关电路??捎糜诠ひ瞪图矣玫缙鞯鹊目刂啤?/div>
555集成电路从开始是作定时器应用的,所以又叫555时基电路或555定时器。经过后来不停的开发,功能延伸到了调光,调速,调温等多种领域。因为其简单,方便,可靠,所以目前被广泛用于各种电子产品中。
下面是几种555常见经典电路图。

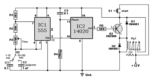
图1. 1-100分钟定时器电路

图2. 用555电路组成的DC-AC定时器

图3. 555测试电路

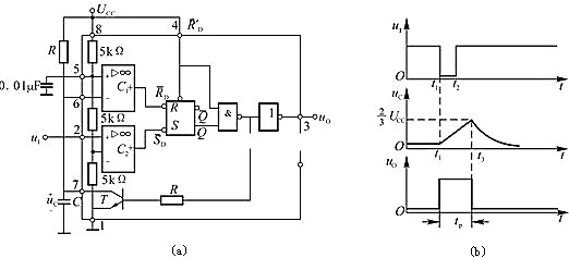
555定时器单稳态触发器电路
图(a)所示为用555定时器构成的单稳态触发器,R、C为外接元件,触发脉冲u1由2端输入。5端不用时一般通过0.01uF电容接地,以防干扰。
(1) 稳态
接通电源后,经R给电容C充电,当uc上升到大于时,基本RS触发器复位,输出u0=0。同时,晶体管T导通,使电容C放电。此后uc则u0保持0状态。电路将一直处于这一稳定状态。
(2) 暂稳态
在t=t1瞬间,2端输入一个负脉冲,即u1在t=t2时刻,触发负脉冲消失若ucD=1,/SD=1,基本RS触发器保持原状态,u0仍为高电平。
在t=t3时刻,当uc上升略高于时,/RD=0,/SD=1,基本RS触发器复位,输出u0=0,回到初始稳态。同时,晶体管T导通,电容C通过T迅速放电直至uc为0。这时/RD=1,/SD=1,电路为下次翻转做好了准备。
输出脉冲宽度tp为暂稳态的持续时间,即电容C的电压从0充至所需的时间。
〈烜芯微/XXW〉专业制造二极管,三极管,MOS管,桥堆等,20年,工厂直销省20%,上万家电路电器生产企业选用,专业的工程师帮您稳定好每一批产品,如果您有遇到什么需要帮助解决的,可以直接联系下方的联系号码或加QQ/微信,由我们的销售经理给您精准的报价以及产品介绍
联系号码:18923864027(同微信)
QQ:709211280
- 上一篇:电压追随电路与详细解析
- 下一篇:电子镇流器和电感镇流器有什么区别
相关阅读