在开关电源设计中,启动电路的设计往往会影响开关电源的启动性能、转换效率以及在高温高压满载下的稳定性;启动电路在为系统提供能量的同时,由于自身在极端恶劣情况下的严重损耗会给电源的稳定性带来风险。好的启动电路只在电源系统启动时为其提供能量,当系统正常运行后便停止工作。
启动电路设计
DC-DC开关电源的输入电压范围宽,而电源IC芯片又需要稳定的工作电压,则启动电路就需要为IC提供安全稳定的启动电压。
如下图1所示,主要是一个由电阻和稳压管组成的简单启动电路,正常工作下该启动电路功耗较大,尤其开关电源在高温环境、输入高压、输出满载的情况下启动电路发热严重极易给系统的稳定带来风险,而且还会降低开关电源的转换效率。

图1 简单启动电路
因此,启动电路不适合长时间持续地为电源IC及?;さ缏诽峁┠芰?,一般只在系统启动时刻为其提供能量。当输出电压建立后,则由损耗较小的辅助绕组为芯片及保护电路提供能量,而此时的启动电路需停止工作。
常见启动电路设计
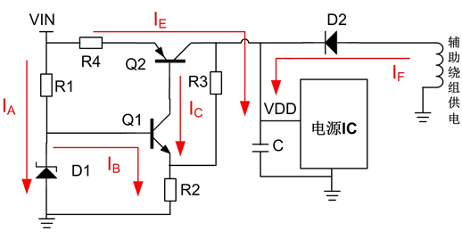
如下图2所示,为现在开关电源中常用的启动电路,该电路采用两个三极管做二级放大,可等效为三端线性稳压电源,具有启动速度快、性能安全可靠、输出电压建立后立刻停止工作的优点。
输入电压VIN为NPN三极管Q1提供IB电流使用它处于放大区,IC为放大电流也为PNP三极管Q2的基极,通过对IC电流的控制,可使Q2处于饱和状态并以IE的饱和电流向电容C充电,直到Q2处于半截止或半饱和状态。
此时,电容就等效成一个恒流源为IC芯片提供能量,当电容电压降到一定值时,启动电路继续为电容充电,直到辅助供电有电压后,才通过电阻R2、R3之间的分压使Q1处于截止状态,此时启动电路才停止工作,之后芯片的供电完全由辅助绕组提供。

图2 标准启动电路
如下图3所示,为图2电路的实验波形图,绿色为IE电流波形,黄色为VDD电压波形(示波器采用zlgZDS2022)。
从图中可看出开关电源启动可分三个阶段,第一阶段,在电时IE以近似1mA的电流向电容C充电,当VDD电压达到UCC28C40门限电压时进入第二阶段,此时饱和电流增加至5mA,在为IC供电的同时继续为电容充电,当输出电压建立后进入第三阶段,此时IE电流为零,启动电路停止工作,VDD电压上升至辅助绕组电压。
在启动的整个过程中,IE的电流都是比较小而且比较平缓,所以该电路安全可靠。

图3 实验电路波形图
如何使启动电路安全可靠
要让启动电路安全可靠地运行,除了必要的理论计算以外,更多应该注意的是器件的选择,谨慎的器件选择能使电路的真实值更加接近计算的理论值。
稳压管D1要选择动态电阻小、膝点低的,这样能使Q1基极的电位在输入电压大幅度变化下保持一个较小的波动,从而使得供电电压VDD稳定。
电阻R1、R2、R3的电阻值在电路正常工作下尽量取大一些,以减小启动电路的损耗。R4主要是限制IE电流使得Q2快速达到饱和点,如果在条件允许下Q2的封装尽量大一点以增强散热能力。
辅助绕组的电压也是影响启动电路稳定的因素,辅助绕组电压偏低,则会使启动电路在开关电源带载时未能完全管断,Q2管在高温高压满载情况下很可能会因过热而烧毁;
辅助绕组电压偏高,在某些异常情况下会使得辅助绕组供电的电压接近或超过电源IC的额定电压,对电源IC构成威胁。辅助绕组的电压过高也会对开关电源的整体效率有一定影响。
〈烜芯微/XXW〉专业制造二极管,三极管,MOS管,桥堆等,20年,工厂直销省20%,上万家电路电器生产企业选用,专业的工程师帮您稳定好每一批产品,如果您有遇到什么需要帮助解决的,可以直接联系下方的联系号码或加QQ/微信,由我们的销售经理给您精准的报价以及产品介绍
联系号码:18923864027(同微信)
QQ:709211280