倍压整流电路是利用二极管的导向作用,使电容器进行充放电,几个电容器的电压相互叠加起来,就能获得较高的电压输出了,所以,倍压整流电路在电路中常用来升高电压。
倍压整流电路工作原理
倍压整流电路的工作原理,先来看一个二倍压整流电路。

需要注意的是,倍压整流电路输入的是交流电,输出的是直流电,一般是使用升压变压器将电压升高,升压后再输入到倍压整流电路。
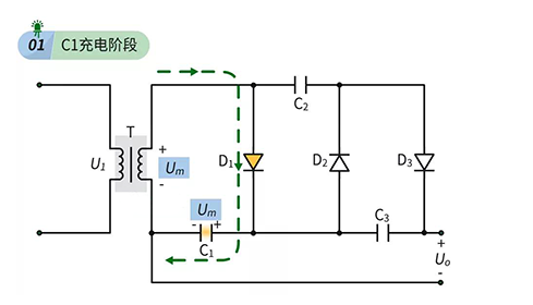
为方便分析,把变压器输出的电压分成正半周和负半周进行分析,这里把变压器输出电压的峰值电压记为Um,不考虑二极管导通压降的情况下,在交流电正半周到来时,C1充满电后两端电压为Um。
如下图所示:

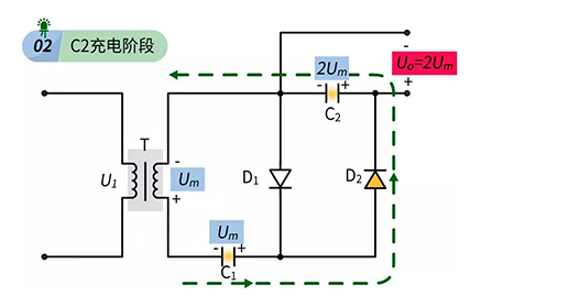
而在负半周时,变压器电压与电容C1电压叠加起来给C2进行充电,C2充满电后两端电压为2Um。如下图所示:

这就实现了两倍电压的输出了,需要注意的是,如果考虑到二极管的管压降,或者在交流电输入频率太低时通过电容会有一定阻抗情况下,电路输出电压会比理想中的电压要小。
如果在上图的二倍压整流电流的基础上再增加二极管和电容器,就可以实现输出电压的增加,比如增加多一个二极管和电容器,就变成了三倍压整流电路。

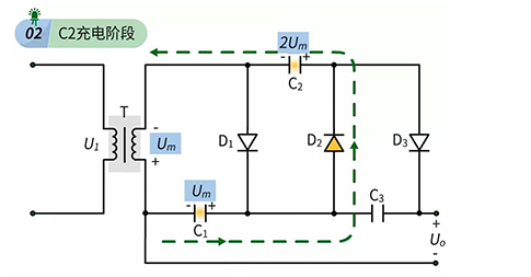
下面一起来分析一下这个电路的工作过程吧。在第一个交流电正半周到来时,电容C1充满电,两端电压为Um,如下图所示:

在第一个负半周到来时,变压器和电容C1的电压进行相互叠加,使电容C2充满电,两端电压为2Um,如下图所示:

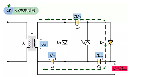
在第二个正半周到来时,变压器电压、电容C2电压、电容C1的电压进行相互叠加(因为电容C1的电压方向是反的,所以最后会抵消掉一个Um),使电容C3充满电,其两端电压为2Um,如下图所示,

这样一来,负载上得到的电压就是电容C1与电容C3叠加起来的电压了,电压为3Um,实现了三倍升压。
如果在后面继续增加二极管和电容器,理论上还能获得更高电压的输出。
〈烜芯微/XXW〉专业制造二极管,三极管,MOS管,桥堆等,20年,工厂直销省20%,上万家电路电器生产企业选用,专业的工程师帮您稳定好每一批产品,如果您有遇到什么需要帮助解决的,可以直接联系下方的联系号码或加QQ/微信,由我们的销售经理给您精准的报价以及产品介绍
联系号码:18923864027(同微信)
QQ:709211280