场效应管开关应用
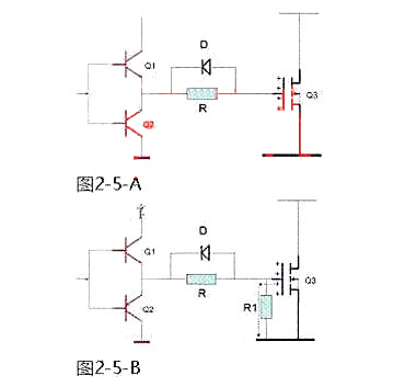
场效应管在开关状态工作时; Q1、Q2是轮番导通, MOS管栅极是在反复充电、放电的状态,假设在此时关闭电源, 场效应管的栅极就有两种状态; -一个状态是;放电状态,栅极等效电容没有电荷存储,一个状态是;充电状态,栅极等效电容正好处于电荷充溢状态,图2-5-A所示。
固然电源切断,此时Q1、Q2也都处于断开状态,电荷没有释放的回路, 场效应管栅极的电场仍然存在(能坚持很长时间) , 树立导电沟道的条件并没有消逝。
这样在再次开机瞬间,由于鼓舞信号还没有树立,而开机瞬间场效应管的漏极电源(VDS )随机提供,在导电沟道的作用下, 场效应管即刻产生不受控的庞大漏极电流ID ,使场效应管烧坏。
为了避免此现象产生,在场效应管的栅极对源极并接一只泄放电阻R1 ,如图2- 5-B所示,关机后栅极存储的电荷经过R1疾速释放,此电阻的阻值不可太大,以保证电荷的疾速释放,普通在5K ~数10K左右。

场效应管在开关振荡电路中的应用
开关集成电路U101中的振荡器起振,为场效应管Q101的栅极G提供振荡信号,于是场效应管Q101开始振荡,使开关变压器T101的初级线圈中产生开关电流,开关变压器的次级线圈3、4中便产生感应电流,3脚的输出经整流、滤波后形成正反馈电压加到U101的7脚,从而维持振荡电路工作,使开关电源进入正常的工作状态。场效应管作为该电路中的脉冲放大器件,用于实现“开关振荡的功能。


左面是增强型 N沟道MOS,简称NMOS, 右面是增强型P沟道MOS,简称PMOS, 各接成反向器电路图。
NMOS的漏极(D)接在+5V的电源上,器件参数中设定它的阈值Vth =+1.5V, 当加在栅极(G)和源极(S)间的电压VGs<Vth时,管子截止,而当VGs> Vth时,管子导通; PMOS的漏极接在-5V的电源上,器件参数中设定它的阈值Vth =-1.5V, 当VGs>Vth时,管子截止,而当VGs<Vth 时,管子导通。为了使截止和导通两个状态界限分明,VGs与Vth 的差别要比较大。
电路输出端的电容是下级电路对本级的作用的代表,MOS管的输入电阻很大,一般可当做无穷大,其作用主要表现为电容性。
〈烜芯微/XXW〉专业制造二极管,三极管,MOS管,桥堆等,20年,工厂直销省20%,上万家电路电器生产企业选用,专业的工程师帮您稳定好每一批产品,如果您有遇到什么需要帮助解决的,可以直接联系下方的联系号码或加QQ/微信,由我们的销售经理给您精准的报价以及产品介绍
联系号码:18923864027(同微信)
QQ:709211280