升压电路
自举电路也叫升压电路,是利用自举升压二极管,自举升压电容等电子元件,使电容放电电压和电源电压叠加,从而使电压升高;有的电路升高的电压能达到数倍电源电压。
升压电路原理
举例:有一个12V的电路,电路中有一个场效应管需要15V的驱动电压,这个电压怎么弄出来?就是用自举。通常用一个电容和一个二极管,电容存储电荷,二极管防止电流倒灌,频率较高的时候,自举电路的电压就是电路输入的电压加上电容上的电压,起到升压的作用。
自举电路只是在实践中定的名称,在理论上没有这个概念。自举电路主要是在甲乙类单电源互补对称电路中使用较为普遍。
甲乙类单电源互补对称电路在理论上可以使输出电压Vo达到Vcc的一半,但在实际的测试中,输出电压远达不到Vcc的一半。其中重要的原因就需要一个高于Vcc的电压。所以采用自举电路来升压。
开关直流升压电路(即所谓的boost或者step-up电路)原理
the boost converter,或者叫step-up converter,是一种开关直流升压电路,它可以是输出电压比输入电压高?;镜缏啡缤?/div>
假定那个开关(三极管或者mos管)已经断开了很长时间,所有的元件都处于理想状态,电容电压等于输入电压。下面分充电和放电两个部分来说明这个电路。
充电过程
在充电过程中,开关闭合(三极管导通),等效电路如图二,开关(三极管)处用导线代替。这时,输入电压流过电感。二极管防止电容对地放电。
由于输入是直流电,所以电感上的电流以一定的比率线性增加,这个比率跟电感大小有关。随着电感电流增加,电感里储存了一些能量。

放电过程
如图,这是当开关断开(三极管截止)时的等效电路。当开关断开(三极管截止)时,由于电感的电流 保持特性,流经电感的电流不会马上变为0,而是缓慢的由充电完毕时的值变为0。
而原来的电路已断开,于是电感只能通过新电路放电,即电感开始给电容充电, 电容两端电压升高,此时电压已经高于输入电压了。升压完毕。

升压过程就是一个电感的能量传递过程。充电时,电感吸收能量,放电时电感放出能量。 如果电容量足够大,那么在输出端就可以在放电过程中保持一个持续的电流。 如果这个通断的过程不断重复,就可以在电容两端得到高于输入电压的电压。
直流升压电路原理图
“高频振荡产生低压脉冲”就是用高频低压振荡电路产生高频方波去控制高频开关电路,使得脉冲变压器按照“高频方波”的频率不断的“充放电”。例如下图:A点会产生比电池电压高许多的高频脉冲,经整流后可以得到高于电池电压的直流电压。

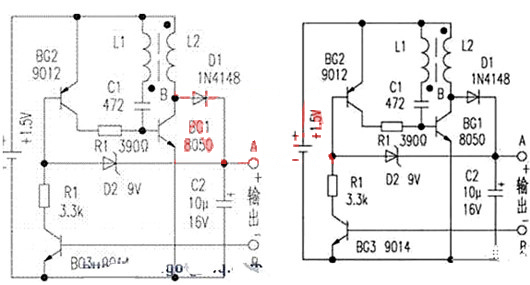
简易1.5V升9V电源电路图
1.5V升9V电源电路图如附图所示。该电路为间歇式振荡升压电路。BG1与L1、L2、C1等构成振荡器。BG1为振荡管,工作在开关状态。L1、C1为振荡反馈元件。L2为振荡储能绕组。
为了方便,电路还设计了由BG3构成的自动电子开关。当BG3的基极没有负载时,也就没有基极电流,BG3、BG2、BG1均截止,整个电路停止工作,不消耗电源。因此,本电路不需设立单独的电源开关。

当A、B两点接上负载时,BG3导通,BG2也跟着导通,通过负载为BG1提供基极电流,BG1导通,能量从电源流入并储存在L2中。
此时BG1集电极电压很低,D1截止,负载由C2残存电压供电。当BG1截止时,L2中电流不能突变,它将产生出较高的逆程电动势,经D1整流后输出。
当输出电压高于D2的稳压值时,BG2的b、e结反偏而趋向于截止,BG1基极电流将会下降,迫使其振荡减弱,输出电压也随之下降从而将输出电压自动地控制在D2的稳压值附近。
元件选择与制作调试:
BG1选饱和压降低的NPN型硅管,如9013、8050等,要求ICM》300mA,β》200。BG2可用9012、9015等PNP硅管,BG3选用9014等NPN型管,要求穿透电流越小越好。
L1、L2用∮0.1MM的漆包线在∮8MM的高频磁环(从旧电子镇流器或节能灯里拆用)上绕制而成。L1为6匝L2为36匝。
此电路为DT890A数字万用表供电,实测工作电流为:蜂鸣挡和电容20uF、2uF挡为45mA以下,其它挡位均在25mA以下。
当电池电压降到0.9V时,除消耗电流较大的蜂鸣挡,电容20uF、2uF挡有缺电显示外,其余挡位均未见缺电显示。本电路制作简单,性能稳定,经济实用。不用调试,只要接线正确,均能正常工作。
数字万用表如果用1.5V电池通过升压替代9V叠层电池,通常都要单独安装电源开关。给制作和使用带来不便。本文介绍的电路是通过检测数字万用表工作电流的有无来控制启动或停止的。因此只要将电源线与升压电路的输出端对接,就可利用数字万用表电源开关。
〈烜芯微/XXW〉专业制造二极管,三极管,MOS管,桥堆等,20年,工厂直销省20%,上万家电路电器生产企业选用,专业的工程师帮您稳定好每一批产品,如果您有遇到什么需要帮助解决的,可以直接联系下方的联系号码或加QQ/微信,由我们的销售经理给您精准的报价以及产品介绍
〈烜芯微/XXW〉专业制造二极管,三极管,MOS管,桥堆等,20年,工厂直销省20%,上万家电路电器生产企业选用,专业的工程师帮您稳定好每一批产品,如果您有遇到什么需要帮助解决的,可以直接联系下方的联系号码或加QQ/微信,由我们的销售经理给您精准的报价以及产品介绍
联系号码:18923864027(同微信)
QQ:709211280
- 上一篇:PMOS用于电源开关应用解析
- 下一篇:功率半导体器件分类与应用介绍
相关阅读