三极管基极电阻
学过电路的朋友都清楚,三极管有三种工作区:截止区、放大区、饱和区,如下图所示:

1.截止区:当基极的偏置电压小于0.7V时,B极电流为零,CE极无电流流过,三极管处于不导通状态;
2.放大区:当基极的偏置电压等于0.7V时,CE极处于半导通状态,CE电流跟随B极电流发生变化,呈现电流的放大状态;
3.饱和区:当基极的偏置电压大于0.7V时,CE极电流达到一定程度不再跟随B极电流发生变化,CE极处于导通状态;

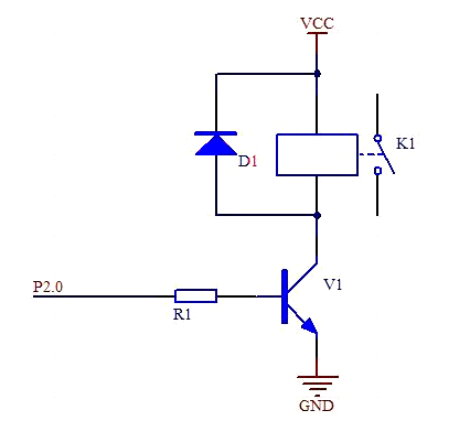
如上图所示,三极管控制继电器时,要处于那种工作状态呢?三极管不导通时工作于截至状态;控制继电器工作时,希望CE极的压降越小越好,处于饱和状态。
所以三极管控制继电器时应该处于截至状态和饱和状态。那基极的电阻该如何选取呢?
以某继电器为例,其参数如下所示:

1.继电器的工作电压为5V;
2.继电器的线圈电阻为125Ω;
根据以上两个参数就可以确定,当继电器处于工作状态时,根据欧姆定律流过的继电器的电流为I=5/125=40mA。通过查阅S8050的数据手册,可以找到其特性曲线,如下图所示。

由图中可以看出,如果CE极流过的电流为40mA的话,那流过B极的电流大约为200uA,即:(5-0.7)V/0.0002A≈20K。
一般为了电路的稳定性考虑,将CE极电流的容量设计为计算值的2倍,即按照CE极电流为80mA来算的话,流过B极的电流约为480uA,4.3/0.00048≈9K。所以B极电阻最好10K以内,继电器才能很好的吸合。
〈烜芯微/XXW〉专业制造二极管,三极管,MOS管,桥堆等,20年,工厂直销省20%,上万家电路电器生产企业选用,专业的工程师帮您稳定好每一批产品,如果您有遇到什么需要帮助解决的,可以直接联系下方的联系号码或加QQ/微信,由我们的销售经理给您精准的报价以及产品介绍
联系号码:18923864027(同微信)
QQ:709211280