PWM调速电路图
PWM调速电路,PWM脉宽控制调速电路应用广泛。例如,我们常用的电动起子,就是用了PWM脉宽控制,把手指的按压转成不同的转速。
往往在电动起子上,用到的是很简单、并且成本很低的电路来实现。
PWM脉宽控制,除了可以用来调速,还可以用来控制电磁线圈的磁力大小、电阻加热的功率大小等。
PWM脉宽控制的实现方法很多。

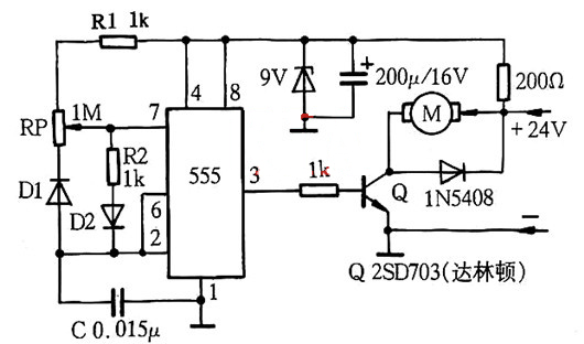
这个PWM调速电路,用时基电路555产生振荡脉冲。
振荡频率为:f=1/0.69·(RP+R1)·C
R1相对于RP仅为其千分之一,可以忽略不计。
所以振荡频率可以简化为:f=1/0.69·RP·C
这个电路中振荡频率设定为200Hz左右,由于定时电容C的充放电路径不同,所以调整RP可以改变脉冲的占空比(即:PWM)。按图中原件参数,占空比可从1%~90%之间变化。
555的第3引脚驱动功率管Q,可以达到驱动大功率负载的需要。
下图电路由LM324和MOS管组成,通过改变输出方波的占空比,使得负载上的平均接通时间从0到100%变化,以达到调整速度的目的。

电路图讲解:
电路中由LM324组成了四个不同的功能??椋?/div>
一是由U1C组成,产生一个6V的基准电压,作为振荡电路的基准电压;
二是由U1A组成的迟滞比较器,U1B积分电路组成的三角波发生器,两个首尾相连,形成一个波形振荡器;
三是由U1D组成的一个电压比较器,其中R6,R7,R9分压网络给比较器提供基准电压。
另外,比较器U1D的输出接了一个栅极电阻R5至MOS管Q1。通过比较器输出的方波,驱动Q1的导通和关断。
而且,由R6,R7,R9分压网络提供的基准电压是与U1B输出的三角波进行比较,当三角波的电压高于基准电压,比较器就输出高电平,Q1导通,负载就会有电流回路;
当三角波电压低于基准电压时,比较器就输出低电平,Q1截止,负载的电流回路被切断,负载断电。
其中,发光二极管D1为负载电源接通时的指示灯;二极管在负载为感性负载时,必须要接上,起到保护MOS管Q1的作用。
这里负载可以是电机,那通过改变基准电压的大小,就能改变比较器U1D输出的高低电平时间,改变电机的转速。除了电机外,负载还可以是灯泡,这样改变的就是灯泡的亮度了。
注意:
本例电路所接电源是12V,可以接12V的电机或其他相同额定电压的负载。但也可以改成24V的。另外,本例电路中,三角波的频率固定了,所以可以自己修改电路,改成频率可调。
电话:18923864027(同微信)
QQ:709211280
〈烜芯微/XXW〉专业制造二极管,三极管,MOS管,桥堆等,20年,工厂直销省20%,上万家电路电器生产企业选用,专业的工程师帮您稳定好每一批产品,如果您有遇到什么需要帮助解决的,可以直接联系下方的联系号码或加QQ/微信,由我们的销售经理给您精准的报价以及产品介绍
相关阅读