与非门电路简介
与非门是与门和非门的结合,先进行与运算,再进行非运算。与非门是当输入端中有1个或1个以上是低电平时,输出为高电平;只有所有输入是高电平时,输出才是低电平。
与非门是与门和非门的结合,先进行与运算,再进行非运算。与非运算输入要求有两个,如果输入都用0和1表示的话,那么与运算的结果就是这两个数的乘积。
如1和1(两端都有信号),则输出为0;1和0,则输出为1;0和0,则输出为1。与非门的结果就是对两个输入信号先进行与运算,再对此与运算结果进行非运算的结果。简单说,与非与非,就是先与后非。
与非门则是当输入端中有1个或1个以上是低电平时,输出为高电平;只有所有输入是高电平时,输出才是低电平。
真值表如下所示:

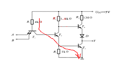
与非门电路原理
我们可以从下面与非门电路图·来看,可以发现与非门电路主要是有输入级、倒相级以及输出级三个部分组成。那么与非门电路的原理也就分为了以下两点:

1. 当A、B都为高电平时,发射结为截止,而T1基极与集电极之间的二极管,和T2、T3的发射结(三个二极管)正向串联,通过R1接上电源就会导通,所以此时T1基极电压Vb1=2.1V。
T2基极电压 Vb2=1.4V,T3基极电压 Vb3=0.7V,T3导通使输出端Y输出低电平;
2. 当A、B其中一个为低电平时,T1发射结导通,使基极电压 Vb1=0.7V,这个电压不足以让后级的发射结导通,所以T2、T3就截止,T4导通使Y输出高电平。
电话:18923864027(同微信)
QQ:709211280
〈烜芯微/XXW〉专业制造二极管,三极管,MOS管,桥堆等,20年,工厂直销省20%,上万家电路电器生产企业选用,专业的工程师帮您稳定好每一批产品,如果您有遇到什么需要帮助解决的,可以直接联系下方的联系号码或加QQ/微信,由我们的销售经理给您精准的报价以及产品介绍