MOS管与晶闸管的区别
MOS管是单极性器件,晶闸管是半控器件。晶闸管的正极相当于MOS管的漏极,门极相当于MOS管的栅极,阴极相当于MOS管的源极??刂剖怯兴鸬?,晶闸管是半控型器件,MOS管是全控型器件。
金属氧化物半导体场效应晶体管(MOSFET) ,简称氧半场效晶体管,是一种可以广泛使用在模拟电路与数字电路的场效晶体管flild-effect transistor)。
该器件通过在栅极(G)_上施加电压,使得源极(S)和漏极(D)之间导通,当撤去电压或施加负电压 ,则使得源极(S)和漏极(D)之间断开。
晶闸管是晶体闸流管的简称,又被称作可控硅整流器。晶闸管主要用于电力变换与控制,通过微小的信号功率对大功率的电力进行控制,具有体积小重量轻、耐压高、容量大、效率高、控制灵敏、寿命长等优点。
晶闸管除了用于整流,还可以作为无触点开关实现电力的逆变和变频等变换。
半导体防护器件主要有半导体放电管. (TSS)、 瞬态抑制二极管( TVS)、 静电防护元件(ESD)、高压触发二极管( SIDAC)等,可用于汽车电子、手机、户外安防、电脑主机等各类需要防浪涌冲击防静电的领域,用于保护电子电路。
MOS管与晶闸管的控制方式不同
1、MOS管
随着电子技术不断进步,MOS管的种类有好几种,我们最常见的有结型MOS管(FET管)和金属氧化物半导体MOS管(MOSFET管)这两类。
这两类MOS管都有一个共同的特点,它们都是利用半导体内的电场效应来控制MOS管电流大小的,下面用金属氧化物半导体MOS管来说明这个问题。
比如下图的N沟道MOS管,当栅极与源极间的Ugs电压大于一定值时,并且Uds大于零,这时Rds的等效电阻非常小,就可以有较大的电流由漏极流向源极,它们之间就好像用一根导线连起来一样。

当栅极G与源极S间的Ugs电压小到一定值的时候,或者Ugs电压等于零的时候,那么漏极D和源极S之间的等效电阻就非常大,就像断开的导线一样无论如何是没有电流通过的。
由此可见MOS管是通过在栅极和源极之间建立了一定的电压后才控制了漏极与源极之间的接通的。
2、晶闸管
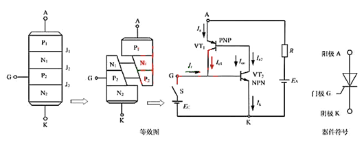
再说一说这个晶闸管,它是一个功率半导体器件,是在二极管的基础上发展起来的,可用于整流半导体器件。
如何控制它的通断,要使晶闸管导通要满足两个条件,第一个是要给晶闸管的控制极G加一个触发信号,也就是在门极G和晶闸管的阴极K之间加一个足够大的正向电流与电压,
同时呢晶闸管的阳极要高于阴极,这样阳极A与阴极K之间的等效电阻就非常小了,就像用导线连接起来一样。

当要关断晶闸管时,只要我们把阳极A与阴极K之间的电流减小到一定值的时候,这个晶闸管的阳极A与阴极K之间就像断开一样,无法有电流通过?;蛘呶颐前丫д⒐艿难艏獳的电压低于阴极K的电压也可以关断这个晶闸管。
通过上面的分析我们可以知道,MOS管与晶闸管的控制方式是不同的,MOS管是电压控制其通断的半导体器件,我们称它是压控型器件;
晶闸管的控制方式是由一定的电流值来触发晶闸管的导通,我们俗称它是流控型器件而且它是一个半控型半导体器件,也就是说晶闸管的门控极G只能控制晶闸管的导通而不能控制晶闸管的关断。
MOS管与晶闸管的输入电阻不同
MOS管的直流等效输入电阻非常高,其阻值可以达到10九次方欧姆,对于MOSFET管来说最高可以达到10十五次方欧姆,鉴于这样的特点来说由MOS管组成的电路功耗都比较小、它的稳定性和抗干扰能力都很强,所以现在很多集成芯片中都采用的是MOS管组成的集成电路,有的工作电压可以低到2V以下。
而对与晶闸管组成的电路来说在输入直流等效电阻方面它比较低、这样就决定了它的功耗非常大,抗干扰能力远不如MOS管,这也就说明了晶闸管组成的电路它的稳定性也不如MOS管。

MOS管与晶闸管的作用不同
我们从它们的组成结构可以看出,对于MOS管来说它可以放大信号,因此可以用在放大电路中作为放大器来用,也可以作为高速电子开关控制负载的通断,
比如开关电源中的MOS管就起到这个功能,同时运用MOS管还可以实现调速控制,比如PWN波的调制输出、令外在调光电路、调温电路等都可以用到。
从晶闸管的工作过程来看它不能用来放大电路的信号,因此它是不可以作为器放大器来使用的。一般晶闸管用在整流电路和控制大负载电路中。
当它作为电子开关使用时,其工作频率也没有MOS管高,一般只能用在低速控制的场合。
电话:18923864027(同微信)
QQ:709211280
〈烜芯微/XXW〉专业制造二极管,三极管,MOS管,桥堆等,20年,工厂直销省20%,上万家电路电器生产企业选用,专业的工程师帮您稳定好每一批产品,如果您有遇到什么需要帮助解决的,可以直接联系下方的联系号码或加QQ/微信,由我们的销售经理给您精准的报价以及产品介绍