放大器同相放大与反相放大区别
运算放大器(简称“运放”)是具有很高放大倍数的电路单元。在实际电路中,通常结合反馈网络共同组成某种功能模块。
它是一种带有特殊耦合电路及反馈的放大器。其输出信号可以是输入信号加、减或微分、积分等数学运算的结果。由于早期应用于模拟计算机中用以实现数学运算,因而得名“运算放大器”。
运算放大器是一个内含多级放大电路的电子集成电路,其输入级是差分放大电路,具有高输入电阻和抑制零点漂移能力;
中间级主要进行电压放大,具有高电压放大倍数,一般由共射极放大电路构成;输出极与负载相连,具有带载能力强、低输出电阻特点。运算放大器的应用非常广泛。
电路中的运算放大器,有同相输入端和反相输入端,输入端的极性和输出端是同一极性的就是同相放大器,而输入端的极性和输出端相反极性的则称为反相放大器。
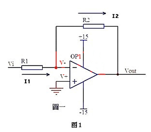
图一运放的同向端接地=0V,反向端和同向端虚短,所以也是0V,反向输入端输入电阻很高,虚断,几乎没有电流注入和流出,那么R1和R2相当于是串联的,流过一个串联电路中的每一只组件的电流是相同的,即流过R1的电流和流过R2的电流是相同的。

流过R1的电流:I1=(Vi-V-)/R1………a
流过R2的电流:I2=(V--Vout)/R2……b
V-=V+=0………………c
I1=I2……………………d
求解上面的初中代数方程得
Vout=(-R2/R1)*Vi
这就是反相放大器的输入输出关系式了。

图二中Vi与V-虚短,则Vi=V-……a
因为虚断,反向输入端没有电流输入输出,通过R1和R2的电流相等,设此电流为I,由欧姆定律得:
I=Vout/(R1+R2)……b
Vi等于R2上的分压,即:Vi=I*R2……c
由abc式得Vout=Vi*(R1+R2)/R2,这就是同相放大器的公式了。
集成运算同相放大器和反相放大器选择
运算放大器可以接成同相放大也可以接成反相放大,那使用同相放大好还是反相放大好呢?我们先来看同相放大和反相放大的区别:
同相放大器
优点:输入阻抗和运放的输入阻抗相等,接近无穷大
缺点:放大电路没有虚地,因此有较大的共模电压,抗干扰能力相对较差,使用时要求运放有较高的共模抑制比,另一个小缺点就是放大倍数只能大于1;
反相放大器
优点:两个输入端电位始终近似为零(同相端接地,反相端虚地),只有差模信号,抗干扰能力强;
缺点:输入阻抗很小,等于信号到输入端的串联电阻的阻值。
另外就是二者的增益计算公式不同,相位相反
由此可见,对比它们要在以下几个方面:输入输出阻抗,共模的抗干扰
1、同相放大器的输入阻抗和运放的输入阻抗相等,接近无穷大,同相放大器的输入电阻取值大小不影响输入阻抗;
而反相放大器的输入阻抗等于信号到输入端的串联电阻的阻值。因此当要求输入阻抗很高的时候就应选择同相放大器。
2、同相放大器的输入信号范围受运放的共模输入电压范围的限制,反相放大器则无此限制。
因此如果要求输入阻抗不高且相位无要求时,首选反相放大,因为反相放大只存在差模信号,抗干扰能力强,可以得到更大的输入信号范围。
3、在设计中要求放大倍数相同的情况下尽量选择数值小的电阻配合,这样可以减小输入偏置电流的影响和分布电容的影响。如果很计较功耗,则要在电阻数值方面折中。
电话:18923864027(同微信)
QQ:709211280
〈烜芯微/XXW〉专业制造二极管,三极管,MOS管,桥堆等,20年,工厂直销省20%,上万家电路电器生产企业选用,专业的工程师帮您稳定好每一批产品,如果您有遇到什么需要帮助解决的,可以直接联系下方的联系号码或加QQ/微信,由我们的销售经理给您精准的报价以及产品介绍