TTL电路基本结构
TTL信号是数字信号.CMOS传输门(Transmission Gate)是一种既可以传送数字信号又可以传输模拟信号的可控开关电路。
按照集成度的高低,将集成电路分为小规模集成电路、中规模集成电路、大规模集成电路、超大规模集成电路。
根据制造工艺的不同,集成电路又分为双极型和单极型两大类。TTL门电路是目前双极型数字集成电路中用的多的一种。
TTL门电路中用的 普遍的是与非门电路,下面以TTL与非门为例,介绍TTL电路的基本结构、工作原理和特性。
(1)TTL与非门的基本结构

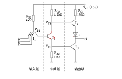
图1是TTL与非门的电路结构。
可以看出,TTL与非门电路基本结构由3部分构成:输入级、中间级和输出级。因为电路的输入端和输出端都是三极管结构,所以称这种结构的电路为三极管---三极管逻辑电路。
输入级:输入级是一个与门电路结构。T1是多发射极晶体管,可以把它的集电结看成一个二极管,把发射结(三个发射结)看成是与前者背靠背的3个二极管,如图2所示。由此看出,输入级就是一个与门电路:Y=A·B·C。

(a)多发射极晶体管(b)多发射极晶体管的等效二级管电路
图2 多发射极晶体管的等效电路
中间级:由三极管T2和电阻RC1、RE2组成。在电路的开通过程中利用T2的放大作用,为输出管T3提供较大的基极电流,加速了输出管的导通。所以,中间级的作用是提高输出管的开通速度,改善电路的性能。
输出级:由三极管T3、T4、二极管D和电阻RC4组成。如图3所示,图3(a)是前面讲过的三极管非门电路,图3(b)是TTL与非门电路中的输出级。
从图中可以看出,输出级由三极管T3实现逻辑非的运算。但在输出级电路中用三极管T4、二极管D和RC4组成的有源负载替代了三极管非门电路中的RC,目的是使输出级具有较强的负载能力。

图3 晶体管非门电路与TTL与非门输出级
TTL电路工作原理
在下面的分析中假设输入高、低电平分别为3.6V和0.3V,PN结导通压降为0.7V。
①输入全为高电平3.6V(逻辑1)
如果不考虑T2的存在,则应有UB1=UA+0.7=4.3V。显然,在存在T2和T3的情况下,T2和T3的发射结必然同时导通。
而一旦T2和T3导通之后,UB1便被钳在了2.1V(UB1=0.7×3=2.1V),所以T1的发射结反偏,而集电结正偏,称为倒置放大工作状态。
由于电源通过RB1和T1的集电结向T2提供足够的基极电位,使T2饱和,T2的发射极电流在RE2上产生的压降又为T3提供足够的基极电位,使T3也饱和,所以输出端的电位为UY=UCES=0.3V, UCES为T3饱和压降。
可见实现了与非门的逻辑功能之一:输入全为高电平时,输出为低电平。
②输入低电平0.3V(逻辑0)
当输入端中有一个或几个为低电平0.3V(逻辑0)时,T1的基极与发射级之间处于正向偏置,该发射结导通,T1的基极电位被钳位到UB1=0.3+0.7=1V。
T2和T3都截止。由于T2截止,由工作电源VCC流过RC2的电流仅为T4的基极电流,这个电流较小,在RC2上产生的压降也小,可以忽略,所以UB4≈VCC=5v,使T4和D导通,则有:UY=VCC-UBE4-UD=5-0.7-0.7=3.6V。
可见实现了与非门的逻辑功能的另一方面:输入有低电平时,输出为高电平。
综合上述两种情况,该电路满足与非的逻辑功能,是一个与非门。
电话:18923864027(同微信)
QQ:709211280
〈烜芯微/XXW〉专业制造二极管,三极管,MOS管,桥堆等,20年,工厂直销省20%,上万家电路电器生产企业选用,专业的工程师帮您稳定好每一批产品,如果您有遇到什么需要帮助解决的,可以直接联系下方的联系号码或加QQ/微信,由我们的销售经理给您精准的报价以及产品介绍