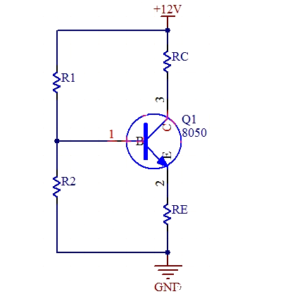
三极管放大区静态工作点
三极管应用于放大交流信号时,一般要确保静态工作点在合适的位置,以获得最大的信号放大能力,避免截止失真或饱和失真。
三极管用于放大变化极其缓慢的缓变信号或者直流信号时,则要确保该信号电压值对应的三极管状态要处于放大区。
记三极管集电极电位为VC,发射极电位为VE,集电极和发射极之间的电位差为VCE,基极电位为VB。
如图1所示,要想三极管放大区间最大,最理想的情况是VC等于1/2VCC,处于电源中间,此例中VC=6V,VC=VCE+VE,因此可以将VCE设置为比VC稍小一些,比如VCE=5V。
得到VCE后,根据三极管的特性曲线,如图2所示,找到特性曲线中VCE=12V,IC=0的第1点(三极管截止时,VCE=VCC=12V)和VCE=5V的第2点,
然后沿着VCE=5V的点垂直向上,找到一个合适的Ib值第3点,使第3点大致刚好落在第3点和第1点形成的直流负载曲线的中间,此例中ib=600uA,对应的IC=0.14A。


然后可以根据以下关系计算:
VC=VCC-IC*RC,
6=12-0.14*RC,
RC=42.8R,取为43R。
VE=VC-VCE=6-5=1V,
RE=VE/IC=1/0.14=7.1R,取为7.5R。
hfe=IC/Ib=0.14A/600uA=233。
三极管的基极输入阻抗为RB=hfe*RE=233*7.5=1750R。
当RB>>10R2时,流入三极管基极的电流相对分压电路来说可以忽略不计。
因此,可以设R2=100R,根据R1、R2分压关系确定VB=VE+0.7=1.7V,得R1=600R。
集电极负反馈偏置

集电极负反馈偏置电路如图3所示,RB保证集电极电压高于基极电压,使三极管处于放大区。
当因为某种原因导致集电极电流IC上升时,集电极电压降低,而其通过负反馈电阻RB到基极的电压也必然降低,从而使VBE降低,Ib降低,最后IC降低,整体上使IC保持不变,稳定了静态工作点。
电话:18923864027(同微信)
QQ:709211280
〈烜芯微/XXW〉专业制造二极管,三极管,MOS管,桥堆等,20年,工厂直销省20%,上万家电路电器生产企业选用,专业的工程师帮您稳定好每一批产品,如果您有遇到什么需要帮助解决的,可以直接联系下方的联系号码或加QQ/微信,由我们的销售经理给您精准的报价以及产品介绍