二极管反向击穿电压一般是工作电压2-3倍。
二极管反向击穿时的电压值?;鞔┦狈聪虻缌骶缭?,二极管的单向导电性被破坏,甚至过热而烧坏。手册上给出的最高反向工作电压VBWM一般是VBR的一半。
反向击穿电压
外加反向电压超过某一数值时,反向电流会突然增大,这种现象称为电击穿。引起电击穿的临界电压称为二极管反向击穿电压。电击穿时二极管失去单向导电性。
如果二极管没有因电击穿而引起过热,则单向导电性不一定会被永久破坏,在撤除外加电压后,其性能仍可恢复,否则二极管就损坏了。因而使用时应避免二极管外加的反向电压过高。

PN结二极管的反向击穿
产生环境
反向击穿的现象发生在很多情况下面,比如二极管,三极管等等。
以二极管为例:二极管是正向导通的,二极管两端加反向电压时,电子不能通过二极管,使得二极管相当于断路,但是这个断路取决于把二极管反向接时,二极管两端的电压(即反向电压),如果这个反向电压足够大,二极管就被击穿了(你可以认为变成导线了),此时这个击穿的反向电压就叫反向击穿电压。
也可以从字面做感性的理解:反向击穿,反向,即为方向相反,就是说反着接。
击穿,你可以认为原来这是一堵墙,是一条死胡同,不让人通过,击穿了所有人就能通过了(联想一下电流),亦可以理解为高低河岸流而不能倒流,除非有超过河床高度的水流通过。
以下给出二极管反向击穿电压的理性定义:外加反向电压超过某一数值时,反向电流会突然增大,这种现象称为电击穿。引起电击穿的临界电压称为二极管反向击穿电压。电击穿时二极管失去单向导电性。
如果二极管没有因电击穿而引起过热,则单向导电性不一定会被永久破坏,在撤除外加电压后,其性能仍可恢复,否则二极管就损坏了。因而使用时应避免二极管外加的反向电压过高。
快恢复二极管的反向恢复特性
二极管的反向特性。在电子电路中,二极管的正极接在低电位端,负极接在高电位端,此时二极管中几乎没有电流流过,此时二极管处于截止状态,这种连接方式,称为反向偏置。
二极管处于反向偏置时,仍然会有微弱的反向电流流过二极管,称为漏电流。当普通二极管两端的反向电压增大到某一数值,反向电流会急剧增大,二极管将失去单方向导电特性,二极管会反向热击穿而损坏。
快恢复二极管的反向恢复特性决定着功率变换器的性能,在双极功率晶体管的电流下降时间大于1us(开通时间约100ns)时期,二极管的反向恢复在双极功率晶体管的开通过程中完成,而且双极功率晶体管达到额定集电极电流的1/2-2/3左右后随着Ic上升Hfe急剧下降,限制了二极管的反向恢复电流的峰值,在某种意义上,也限制了di/dt,双极功率晶体管的开通过程掩盖了二极管的反向恢复特性,因而对二极管的反向恢复仅仅是反向恢复时间提出要求。
随着功率半导体器件的开关速度提高,特别是Power MOSFET、高速IGBT的出现,不仅开通速度快(可以在数十纳秒内将MOSFET彻底导通或关断),而且在额定驱动条件下,其漏极/集电极电流可以达到额定值的5-10倍,使MOS或IGBT在开通过程中产生高的反向恢复峰值电流IRRM,同时MOS或IGBT在开通过程结束后二极管的反向恢复过程仍然存在,使二极管的反向恢复特性完全暴露出来,高的IRRM、di/dt使开关管和快速二极管本身受到高峰值电流冲击并产生较高的EMT。
因而对二极管的反向恢复特性不仅仅限于反向恢复时间短,而且要求反向恢复电流峰值尽可能低,反向恢复电流的下降,上升的速率尽可能低,即超快、超软以降低开关过程中反向恢复电流对开关电流的冲击,减小开关过程的EMI。
当快恢复二极管正向导通电流时,将从阳极和阴极注入大量载流子,并在基区以少数载流子的形式储存电荷,即从阳极注入的空穴以少子的形式在基区存储电荷。
但当电路中导通的快恢复二极管因外加反向电压使其换向时,要实现快恢复二极管的“断态”,必须把快恢复二极管导通时在基区储存的大量少数戴流子完全抽出或者中和掉,这就需要一定时间才能使快恢复二极管恢复反向阻断能力,这时间就定为快恢复二极管的反向恢复时间trr。
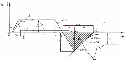
如图1所示,由图可见,快恢复二极管的主要关断特性参数为:反向恢复时间trr,反向峰值电流IRRM,反向恢复电荷Qrr以及反向电流衰减率(dirr/dt),图亦显示了快恢复二极管从正向导通到反向恢复的全过程,图中,反向恢复时间trr=ta+tb,ta表示少数戴流子的存储时间,而tb表示少数戴流子的复合时间;
而且trr应尽量短,这就是超快恢复的要求,且ta应尽量小于tb,ta期间快恢复二极管还没有恢复反向阻断能力,器件加不了反向电压,而tb期间,反向阻断能力开始恢复,这段时间内反向电流恢复率(dirr/dt)连同电路中的寄生电感将产生过电压尖峰和高频干扰电压,dirr/dt越高(即硬恢复)对快恢复二极管本身和与其并联的开关器件所作用的附加电应力就越大,有时甚至使开关器件损坏,必须引起注意。
而缓慢的反向电流恢复率dirr/dt(即软恢复)是最合乎需要的特性曲线,通常用软度因子S=tb/ta来表示器件的反向恢复曲线的软度,因此,选用反向恢复时间trr短,反向峰值电流IRM小,反向恢复电荷Qrr小以及反向恢复特性软的FRED管是逆变电路中最合适的,同时也可降低逆变电路中快恢复二极管和开关器件的功耗。

图1 FRED导通和关断期间的电流、电压波形图
电话:18923864027(同微信)
QQ:709211280
〈烜芯微/XXW〉专业制造二极管,三极管,MOS管,桥堆等,20年,工厂直销省20%,上万家电路电器生产企业选用,专业的工程师帮您稳定好每一批产品,如果您有遇到什么需要帮助解决的,可以直接联系下方的联系号码或加QQ/微信,由我们的销售经理给您精准的报价以及产品介绍