雪崩模式定义
所有半导体器件都具有一定的最大反向电压额定值(功率 MOSFET 的 BV DSS)。高于此阈值的操作将导致反向偏置 pn 结中的高电场。
由于碰撞电离,高电场会产生电子-空穴对,这些电子-空穴对会产生倍增效应,从而导致电流增加。流过器件的反向电流会导致高功耗、相关的温升和潜在的器件损坏。
工业应用中发生的雪崩
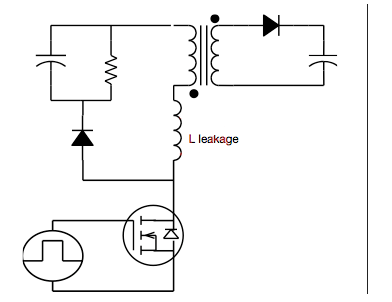
反激式转换器电路
一些设计者不允许雪崩操作;相反,在额定 BV DSS 和 VDD 之间保持电压降额(通常为 90% 或更少)。
然而,在这种情况下,可能会出现超出计划的电压尖峰的情况并不少见,因此即使是最好的设计也可能会遇到非频率雪崩事件。图 1 显示了一个这样的示例,即反激式转换器。

反激式转换器电路
在反激式转换器的 MOSFET 操作期间,能量存储在漏电感中。如果电感未正确钳位,在 MOSFET 关断期间,漏电感通过初级开关放电,并可能导致雪崩操作,如图 2 和 3 中 VDS、ID 和 VGS 与时间的关系波形所示。

雪崩波形下的反激式转换器开关:

雪崩波形下的反激式转换器开关(详细)
雪崩故障模式
一些功率半导体器件设计为在有限时间内承受一定量的雪崩电流,因此可以达到雪崩额定值。其他人会在雪崩开始后很快失败。性能差异源于特定的设备物理、设计和制造。
功率 MOSFET 器件物理
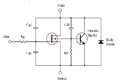
所有半导体器件都包含器件物理设计固有的寄生元件。
在功率 MOSFET 中,这些组件包括由于 p 和 n 区之间的结中的电荷转移而产生的电容器、与材料电阻率相关的电阻器、在 p+ 体扩散进入 n- 外延层时形成的体二极管,以及 NPN(双极结型晶体管此后称为 BJT) 序列 (BJT),在 n+ 源极触点扩散的地方形成。
请参见图 4 了解包含上面列出的寄生元件的功率 MOSFET 横截面,参见图 5 了解器件的完整电路模型。

功率 MOSFET 横截面:

功率MOSFET电路模型在雪崩中,充当二极管的 pn 结不再阻断电压。施加更高的电压会达到临界场,其中碰撞电离趋于无穷大,载流子浓度由于雪崩倍增而增加。
由于径向场分量,器件内部的电场在结弯曲处最强。这种强电场会在寄生 BJT 附近产生最大电流,如下图 6 所示。功耗会增加温度,从而增加 RB,因为硅电阻率随温度增加。
根据欧姆定律,我们知道在恒定电流下增加电阻会导致电阻两端的电压降增加。当压降足以正向偏置寄生 BJT 时,

雪崩下的功率 MOSFET 截面
功率 MOSFET 用户应注意了解不同供应商之间雪崩额定条件的差异。不是“雪崩稳健”的设备可能会导致意外和看似无法解释的电路故障。
一些制造商根本没有对他们的 MOSFET 进行雪崩评级。其他人单独使用统计评级,这不能为更完整的表征和评级提供的稳健操作提供相同的保证。
电话:18923864027(同微信)
QQ:709211280
〈烜芯微/XXW〉专业制造二极管,三极管,MOS管,桥堆等,20年,工厂直销省20%,上万家电路电器生产企业选用,专业的工程师帮您稳定好每一批产品,如果您有遇到什么需要帮助解决的,可以直接联系下方的联系号码或加QQ/微信,由我们的销售经理给您精准的报价以及产品介绍