使用PWM输出方式驱动有刷直流电机:H桥恒流驱动。
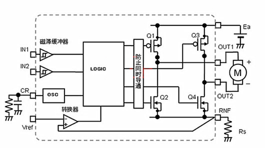
这是有刷直流电机PWM的H桥恒流驱动电路示例。这是普通的驱动器电路,可以使用内置的比较器进行电机电流的ON/OFF控制,即PWM控制。

连接到功率晶体管(MOSFET)的GND侧(RNF引脚)的电阻Rs是用来检测电流的电阻。内置的比较器会对该Rs产生的电压与基准电压设置引脚(Vref)的电压进行比较。
当RNF引脚电压超过Vref电压时,比较器的输出变为L,并会关断供给电流的电源侧的功率晶体管。
在供给或停止电流时,晶体管的ON/OFF状态会因工作模式(例如正转或反转)而异,但是不管怎样,都将由Vref、Rs和比较器来负责是否使电流流过电机的切换。
关断时间(toff)通过对振荡器(OSC)频率进行计数的方法来设置,在关断期间内电流会再生。当过了设置的关断时间时,已关断的功率晶体管将再次导通并供给电流。
通过重复该过程,可以通过以Vref电压÷Rs值为峰值电流(Ipeak)的恒流控制使电机旋转。右图是表示电机电流、Rs电流和RNF电压的波形。
需要注意的是,由于在再生电流流动期间Rs中没有电流流过,因此在电流重新供给时,Rs中会产生较大的电流变化,可能会因寄生电感而产生产生较大的电压噪声,或功率晶体管的寄生电容的充电电流流过并超过Vref电压。

需要设置很短的消隐时间(tblnk),来避免功率晶体管因该电压噪声而不进行OFF动作。
消隐时间的设置需要注意不仅要避免电流ON/OFF时的电压噪声引发误动作,还要避免切换电机旋转状态时的电压噪声引发误动作。消隐时间可以通过驱动器IC进行优化或调整。
关键要点:
有刷直流电机H桥恒流驱动的一种方法是使用电流检测电阻检测电机电流,并通过比较器将其与基准电压进行比较的PWM控制方法。
在使用上述方法驱动有刷直流电机时,由于电流检测电阻中会产生较大的电流变化,因此可能会产生噪声电压并引发误动作。
在使用上述方法驱动有刷直流电机时,有一种通过设置消隐时间来抑制误动作的方法。
电话:18923864027(同微信)
QQ:709211280
〈烜芯微/XXW〉专业制造二极管,三极管,MOS管,桥堆等,20年,工厂直销省20%,上万家电路电器生产企业选用,专业的工程师帮您稳定好每一批产品,如果您有遇到什么需要帮助解决的,可以直接联系下方的联系号码或加QQ/微信,由我们的销售经理给您精准的报价以及产品介绍