钳位器(clamper)可以将输入波形整体上移或下移,“clamper”在 英语中的原意是“夹具”的意思,很形象地说明了它可以把波形任意钳夹在某个电平处。
如下图所示:

图 2-5.01
钳位电路的核心器件是二极管和电容,下面我们具体分析实现各种钳位的电路图。同样的,为方便分析,我们假设下面的二极管为理想二极管,即导通时理想二极管上的压降为0。
以下分析的输入电压vi皆设为正弦电压,表达式为:

1. 下钳位电路
(1) 标准下钳位电路
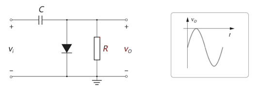
我们先介绍下钳位电路的标准型,其电路和输出波形如下图所示:

图 2-5.02
这个电路的关键点在于,电容C和负载电阻R的值要取的比较大,这样当电容通过R进行放电时,时间常数 τ=RC会比较大,放电过程会非?;郝O旅嫖颐且徊讲椒治銎涔ぷ髟恚?/div>
(1) 当输入电压vi从0开始增大时,会给电容C充电,此时二极管正向导通。在C的右边,二极管和电容并联,但由于电阻R值比较大,所以充电电流回路主要从二极管上走。
又由于二极管的电阻非常?。ɡ硐氲纪ㄇ榭鱿陆贫搪罚猿涞缢俣燃?,我们可以近似认为,电容上的电压几乎就是等于输入电压。充电电流回路如下图所示:

图 2-5.04
(3) 前面说过,由于电阻R和电容C的值都取得很大,所以放电速度非?;郝?。当输入电压经过正峰值Vm,再走到负半周,再变正,再回到正峰值Vm前,电容虽然一直在向输入电源放电,但放电速度极其缓慢。
所以当输入电压再次达到正峰值Vm时,电容上存储的电压只下降了很小一点点,甚至可以近似认为电容上存储的电压几乎没怎么变化,仍为Vm。
而输入电压vi最大也就到Vm,已经没什么资格给电容充电了。所以可以近似认为,电容上存储的电压,从此一直保持为Vm不变。
(4) 接着结论就是顺理成章的事情啦,从电路图上可以得出,输出电压vo的表达式为:vo=vi-vC,根据上面的分析,电容电压vC一直保持为Vm不变,则输出电压最终可表达为:vo=vi-Vm,相当于将输入电压向下平移了Vm。
如下图所示:

图 2-5.05
(5) 最后再考虑一下非理想二极管的情况。对于非理想二极管,当正向导通时,其上有0.7V的压降。
根据上面“图2-5.03”的充电回路可以看出,电容上可充到的电压为:Vm-0.7V,则最终输出电压的表达式为:vo=vi-(Vm-0.7V)= vi-Vm+0.7V。
(2) 偏置下钳位电路
从上面的分析可看到,标准下钳位电路只能将输入波形向下平移Vm,那如果我们要向下平移任意电平怎么办?很简单,在二极管上再加个偏置电压,如下图所示:

图 2-5.06
只要理解了前面的标准下钳位电路,这个偏置分析就很简单啦,在“下钳位偏置上移电路”中,电容C充电后的维持的电压为:vc=Vm-V1,则最终输出电压为:vo=vi-vc=vi-Vm+V1。
在“下钳位偏置下移电路”中,电容C充电后的维持的电压为:
vc=vm+v1,则最终输出电压为:vo=vi-vc=vi-vm-v1。
2. 上钳位电路
(1) 标准上钳位电路
上钳位电路的标准型,如下图所示:

图 2-5.07
分析也是类似的,这里就简略描述了:一开始当输入电压vi处于正半周时,二极管截止,vi通过电阻R形成回路给电容充电,但是由于R非常大,所以充电速度非?;郝?。
当输入电压进入负半周时,电容上被充的电压几乎为0。此时vi小于0时,二极管导通,充电电流通过二极管回路开始对电容C快速充电,电容电压最大可充到Vm(注意图中电容电压的正负方向),从此电容电压Vm保持不变。输出电压为:vo=vi+vc=vi+Vm,相当于将输入电压上移了Vm。
(2) 偏置上钳位电路
上钳位电路也可以加偏置电压,达到上移任意电平的效果,如下图所示:

图 2-5.08
在“上钳位偏置上移电路”中,电容C充电后的维持的电压为:
vc=vm+v1,则最终输出电压为:vo=vi+vc=vi+vm+v1。
在“上钳位偏置下移电路”中,电容C充电后的维持的电压为:
vc=vm-v1,则最终输出电压为:vo=vi+vc=vi+vm-v1。
电话:18923864027(同微信)
QQ:709211280
〈烜芯微/XXW〉专业制造二极管,三极管,MOS管,桥堆等,20年,工厂直销省20%,上万家电路电器生产企业选用,专业的工程师帮您稳定好每一批产品,如果您有遇到什么需要帮助解决的,可以直接联系下方的联系号码或加QQ/微信,由我们的销售经理给您精准的报价以及产品介绍
相关阅读