下图介绍一种基于TP4056的单节锂电池的充电方案,并通过简单外围电路实现过充过放?;?,电源自动切换和硬件开关机。
1、TP4056充电方案

图1中4脚为电源输入引脚,8脚为使能引脚,高电平有效(因此直接接到电源);
7脚和6脚,功能分别为充电状态指示和充电完成指示,这两个引脚内部结构均为漏极开漏输出,当它们导通时,对应连接的LED就会通过引脚内部的MOS管形成通路,使LED点亮。
正常充电情况下,7脚导通,红灯亮,6脚截止,绿灯灭。充电完成后,7脚和6脚间的逻辑翻转,绿灯亮,红灯灭;5脚为电池正极连接端,芯片通过该引脚对电池进行充电;
1脚为温度?;ば藕攀淙攵?,其基本原理为,通过电池内部的NTC(负温度系数热敏电阻,随着温度升高而阻值降低,温度降低而阻值升高)与外部的电阻分压后输入TEMP引脚,
当该电压值低于输入电压45%和高于输入电压的80%,充电将被暂停,如果不使用温度检测功能,则可以将该引脚直接接地。2脚为充电电压编程引脚。
其中:

BAT为充电电流
VPROG为编程电压(在预充阶段为0.1V,恒流充阶段为1V)
RPROG为编程电阻,通过Vprog引脚链接到地
例如,如果RPROG = 1200Ω,则预充阶段充电电流为:
0.1/1200*1200=0.1A
恒流阶段充电电流为
1/1200*1200=1A
到此TP4056芯片功能介绍完毕,更加详细的资料可下载其数据手册进行详细了解。
2、过放及过充保护
过充和过放保护,从字面意思理解即可,就是避免电池过度放电和过度充电。
一般来说,锂电池厂家都会有内置?;さ缏钒澹缘绯亟泄浜凸诺谋;ぃ庵智榭鱿?,我们直接使用TP4056即可;下面将要介绍的使用是没有内置?;ぐ宓娘绯囟捎玫谋;し桨?。
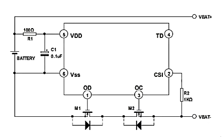
在众多?;し桨钢校珼W01加MOS管为最常见的方案,电路如下

正常状态下,M1,M2均导通,
过充状态下,M2截止,充电回路切断,过放状态下,M1截止,放电回路切断,两种状态实现对电池的过充过放?;?
基于DW01加两个MOS的方案,厂商还推出了内部集成MOS的DW06,相比较而言,DW06外部电路更简单电路图如下

3、自动电源切换
该电源切换电路选自于TP4056的数据手册中,下面分析其工作原理


在只有VCC-BAT供电的情况下,由于MOS管Q3的G极被R1拉低到地,则MOS导通,VCC-BAT通过Q3向后级供电;
当USB电源VCC-USB插入后,Q3的G极变为高电平,使Q3截止,VCC-USB通过D1向后级供电;
USB拔除后,Q3导通,供电状态恢复为VCC-BAT供电。
4、硬件开关机电路
一般来说,为了实现对系统的硬件电源切断,会使用直接的机械开关进行控制电源的通断。
但是由于机械开关存在着体积较大(不利于小型化设计),且由于磨损导致寿命较短等缺点,按键开关越来越多的被使用,下面介绍一种比较简单的实现电路:

如上图所示
关机状态:由于Q1被R1钳位到高电平,Q1截止,VCC不能向后级供电;
开机:长按S2,D2导通,使Q1的G极拉低而导通,VCC通过Q1向后级VCC-SYS供电;VCC-SYS连接MCU电源,MCU通电复位后开始工作,通过控制连接到MCU上面I/O的Power-On,使其为高电平,此时Q2导通,使Q1的G极变为低电平,松开按键S2,只要Power-On引脚电平保持为高电平,系统供电正常供电;
关机流程:开机状态下,长按下S2,MCU通过D2,检测到低电平,累计一定时间后,判定为关机动作,将Power-ON引脚输出低电平,Q1截止,系统断电;
上面所述的电路,可实现系统的硬关机。
上面提到的四个电路,可根据实际情况进行组合调整,应用于电路之中。
电话:18923864027(同微信)
QQ:709211280
〈烜芯微/XXW〉专业制造二极管,三极管,MOS管,桥堆等,20年,工厂直销省20%,上万家电路电器生产企业选用,专业的工程师帮您稳定好每一批产品,如果您有遇到什么需要帮助解决的,可以直接联系下方的联系号码或加QQ/微信,由我们的销售经理给您精准的报价以及产品介绍