在设计电路时,我们可能会遇到需要负电压供电的系统,例如使用负电压为IGBT提供关断负电压、运放系统中用正负对称的偏置电压供电。那么该如何产生一个稳定可靠的负电压呢?本文将介绍不同的解决方案。
负电压设计根据不同的负载电流有很多不同方案,以下是给出几种目前市面比较常见的负电压方案,可以根据不同场合使用合适的方案。
一、工频变压器输出正负电压

图1 工频变压器正负输出电源
各位工程师看到图1的电路是否有很强的亲切感,是否能想起大学时接触电子设计时的情景?此经典电路优点比较明显,电路结构简单、极低干扰噪声、稳定性好;
同时此电路也有缺点,输入交流电范围窄(一般是220VAC±5%),体积重量大;虽然此电路缺点明显目前还有一些应用采用此方案设计。此方案主要是利用变压器产生负电压在通过线性稳压器7905进行稳压。
二、电源模块输出负电压
由于电子元件制造工艺技术越来越好,能量损耗越来越低,这样一来越来越有利于电源的??榛⒄埂6以谏杓粕弦材茏龅叫⌒突?,轻型化设计。
1、非隔离负压输出负电压

图2 非隔离稳压输出???/div>

图3 非隔离模块的正输出与负输出接法
如图3所示,此电源??橛τ糜氤S玫腖M7805类似,而且不需要安装散热片。如上图,我们需要正负电压给运放等供电时,只需要两个E78xxOS-500电源即可实现。
2、隔离电源??槭涑稣旱缪?/div>


图4 E_URADD-6W电源典型应用
在电力、工业、通讯等对抗干扰性能要求较高的场合,一般需要对电源进行隔离处理来隔离从总电源端的干扰。此种应用时如果需要用到负电压,可以直接采用隔离电源??橹苯邮涑稣旱缪垢低彻┑?。
三、Buck-Boost拓扑设计输出负电压
除了采用隔离??榉桨福颐腔箍梢匝≡裥酒约荷杓聘貉沟缏罚舜ξ颐墙樯芤幌陆先菀咨杓频姆歉衾敫貉故涑鯞uck-Boost电路。
如图6此电路只需要主控芯片、电感、电容等芯片,目前MPS的DC-DC电源芯片都支持Buck-Boost的设计结构,可以根据不同输出电流选择合适型号。

图5 Buck-Boost拓扑原理
从图6的拓扑中可以看出输入电压与输出电压极性是相反的,因此Buck-Boost拓扑结构又简称为倒相拓扑。
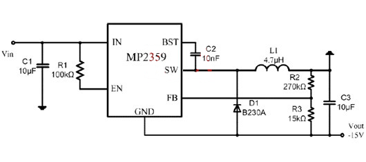
图7是采用MP2359DT设计的-15V电源电路,MP2359DT是采用SOT23-6的封装,整个电路占用PCB面积较小。


图7 MP2359负电压输出电路
负电压设计方案多种多样,哪一个方案适合设计,还是需要综合考虑不同应用、不同技术要求而定。
电话:18923864027(同微信)
QQ:709211280
〈烜芯微/XXW〉专业制造二极管,三极管,MOS管,桥堆等,20年,工厂直销省20%,上万家电路电器生产企业选用,专业的工程师帮您稳定好每一批产品,如果您有遇到什么需要帮助解决的,可以直接联系下方的联系号码或加QQ/微信,由我们的销售经理给您精准的报价以及产品介绍
- 上一篇:怎么提高隔离式电源的效率
- 下一篇:实用的过欠压防反接多功能?;さ缏方樯?/a>
相关阅读
最新资讯
- 怎么用TVS二极管提高电路的抗突波能力
- PIN二极管的电导调制机制和应用介绍
- 基于双MOS管的防反灌电路工作原理介绍
- 高效率整流二极管的特性和应用介绍
- 详解稳压二极管的关键特性和应用原理
- MOS管选型关键因素分析,怎么选择合适的参数
- 三相整流电路分析,半波整流与全波整流的工作原理
- IGBT三相全桥整流电路工作原理介绍
- 详解快恢复二极管,结构,特性和应用介绍
- 三极管和MOS管组合式开关电路分析
联系烜芯微
咨询热线:
18923864027
传真:
18923864027
QQ:
709211280
地址:
深圳市福田区振中路84号爱华科研楼7层