值。基本上功率因数可以衡量电力被有效利用的程度,当功率因数值越大,代表其电力利用率越高。
功率因数是用来衡量用电设备用电效率的参数,低功率因数代表低电力效能。为了提高用电设备功率因数的技术就称为功率因数校正。
对于一个整流电路,在输出端都会并联一个滤波电容(或者一排电容),以让输出的直流能更平滑,然而滤波电容会造成交流输入电压与输入电流间的相位偏移。
我们都知道功率因数的定义为有效功率与视在功率的比值,如果AC电压和电流间的相位差为φ,那么功率因数(PF)=cosφ。如果想要提高电路的效率,那就必须想办法提高PF。
然而,对于整流电路,只有当AC电压大于滤波电容两端电压Vc时,才会有输入电流,这种特性就造成了AC电流波形完全从正弦波偏离,会极大地影响功率因数。为了尽量使AC电流变回正弦波,我们引入了PFC电路。

电流I从正弦波偏离
<补充>关于PF=cosφ的推导:
1) 阻性负载
对于纯电阻负载,电压与电流间不存在相位差,所以PF=1。

阻性负载
2) 容性/感性负载
对于容性或感性负载,因为电压与电流间存在相位差,所以PF<1。

容性负载
PFC拓扑
被动式/无源式(Passive PFC)
使用了被动式PFC的全波二倍压整流电路的拓扑结构如下图所示。在被动式PFC中,电感被用来提高功率因数。

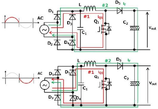
部分开关式(Partial-switching PFC)
与被动式PFC相比,部分开关式PFC增加了一个开关器件,通过延长电源电流输出时间来提高功率因数。当开关器件导通时,来自电源的电能会储存在电感中。因此,部分开关式PFC还具有boost的功能。

主动式/有源式(Active PFC)
最基础的主动式PFC(利用了boost电路)的拓扑结构如下。红色箭头代表了MOSFET导通时的电流路径,绿色箭头则是MOSFET关断时的电流路径。根据电流的导通模式,主动式PFC可以分成3种模式:CCM,CRM(BCM),DCM。

基于boost电路的主动式PFC
① 连续导通模式(Continuous Conduction Mode, CCM)
在连续导通模式下,一直会有电流流过电感,因此MOSFET需要在电感电流变成0之前开通。通常来讲,CCM会工作在一个固定的频率下,以控制AC输入电流呈正弦波。和其他模式相比,CCM的优点是能够降低电感电流的纹波。
其缺点是,当MOSFET开通时,滤波电容的电压会反向加在二极管上,由于正向导通时的少数载流子们依旧聚集在PN结两侧,在这个反向电压的作用下少数载流子会发生漂移运动,二极管会形成较大的反向电流。
这个反向电流再加上电感电流会一起流过MOSFET,因此MOSFET会产生较大的开通损失(turn-on loss)。为了减少这种开通损失,建议选用SiC肖特基二极管(Schottky Barrier Diode, SBD),因为肖特基二极管的反向恢复时间较短。

连续导通模式
② 临界导通模式(Critical Conduction Mode, CRM/Boundary Conduction Mode, BCM)
在临界导通模式下,MOSFET会在电感电流降到0时开通,因此MOSFET的开通损失较小。CRM需要监测电路输出电压,然后根据电压调整MOSFET脉冲宽度。
当输出电压过高时,会减小MOSFET脉冲宽度;当输出电压过低时,会增加MOSFET脉冲宽度。所以谐振频率也不会固定,因为需要根据输出电压调整。

临界导通模式
③ 不连续导通模式(Discontinuous Conduction Mode, DCM)
在不连续导通模式下,每个周期内都存在电流为0的时期。与其他两种模式相比,DCM的峰值电流较大,MOSFET关断损失(turn-off loss)较大,电路的整体效率较低。但是,DCM不会受到二极管反向恢复时间的影响,MOSFET的开通损失也很小。

不连续导通模式
④ 3种模式的比较

PFC应用电路
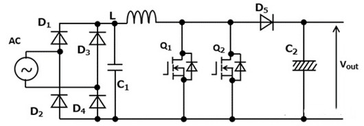
MOSFET并联型PFC(PFC with parallel MOSFETs)
使用多个MOSFET并联能够支持大电源输入,因为电流会被分流,也同时减小了开关损耗。对于每个MOSFET,必须保证它们的电气特性和驱动条件相同。

MOSFET并联型PFC
电话:18923864027(同微信)
QQ:709211280
〈烜芯微/XXW〉专业制造二极管,三极管,MOS管,桥堆等,20年,工厂直销省20%,上万家电路电器生产企业选用,专业的工程师帮您稳定好每一批产品,如果您有遇到什么需要帮助解决的,可以直接联系下方的联系号码或加QQ/微信,由我们的销售经理给您精准的报价以及产品介绍