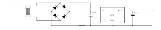
在创建工业电源时,最常见的一个挑战是将交流电压电源转换为直流电压电源。几乎所有应用都需要将交流电压改为直流电压,从为手机充电到为微波炉的微控制器供电都是如此。通常来讲,通过使用变压器和整流器进行这种转换,如图1所示。在该电路中,通过变压器降压(一倍于变压器初级和次级线圈匝数比)。

图 1:使用变压器和LDO简化AC到DC转换
磁解决方案有几个缺点。您可能知道变压器通过将磁通量转换为电流来工作。由于这种转换,变压器会产生大量电磁干扰(EMI)。变压器的输出电压也极其嘈杂,需要大电容来滤除噪声。对于低功率应用,可使用更简单且成本有效的方法来消除磁性元件。如同两个电阻器如何形成一个分压器一样,您可使用电容器来产生交流阻抗(电抗),其在电压到达电源之前降低电压。这种配置通常称为电容压降解决方案。
当负载未接通时,基本的电容器压降解决方案需要稳压二极管吸收应用所需的电流。该稳压二极管是必需项,因此线性稳压器(LDO)的输入电压不会超过绝对最大额定值。

图2: 带LDO的基本电容式压降电路,适用于110 VAC、5 VDC和30 mA
电容式压降拓扑结构的一个缺点是效率不高,因为许多功率会随着电阻器和LDO的热量而消散。即使LDO未调压,但由于稳压二极管中消耗的能量,效率仍然不理想。
为提高该系统的效率,您需要优化三个主要组件——浪涌电阻、稳压二极管和LDO的压降。公式1所示为如何计算图2所示的基本电容压降解决方案的效率。

由于电容压降解决方案是电子计量和工厂自动化等工业应用中常见的电源配置,因此德州仪器开发了一个专注于优化电容压降架构效率和解决方案尺寸的组件。TPS7A78集成了许多实现电容式压降电路所需的分立元件,如有源桥式整流器。TPS7A78专为使用电容压降电路而设计,可集成多种功能,并提高整体系统效率。例如,TPS7A78集成了一个开关电容级,可将输入电压降低四倍,从而以相同的比率降低输入电流,并有助于使用更小的电容压降电容。此功能可实现更小的解决方案尺寸,降低系统成本并降低待机功耗。

图 3:使用TPS7A78在30mA时的30mA 电容压降解决方案
为理解使用TPS7A78在电容压降级和线性稳压器上的效率,我们可以将图2所示的传统解决方案与图3所示的TPS7A78解决方案进行比较。在使用线性稳压器的传统压降解决方案中,系统的效率为11%。配置为同一负载供电时,由于开关电容的输入电流减小,且需要更小的浪涌电阻,TPS7A78能够实现> 40%的效率。
电话:18923864027(同微信)
QQ:709211280
〈烜芯微/XXW〉专业制造二极管,三极管,MOS管,桥堆等,20年,工厂直销省20%,上万家电路电器生产企业选用,专业的工程师帮您稳定好每一批产品,如果您有遇到什么需要帮助解决的,可以直接联系下方的联系号码或加QQ/微信,由我们的销售经理给您精准的报价以及产品介绍