如今,在很多电子产品中,将单片机用到温度检测和温度控制;而温度则是系统常需要测量、控制和保持的一个量。因此本文从硬件和软件两方面介绍了AT89C2051单片机温度控制系统的设计,对硬件原理图和程序框图作了简洁的描述。
1.系统硬件设计
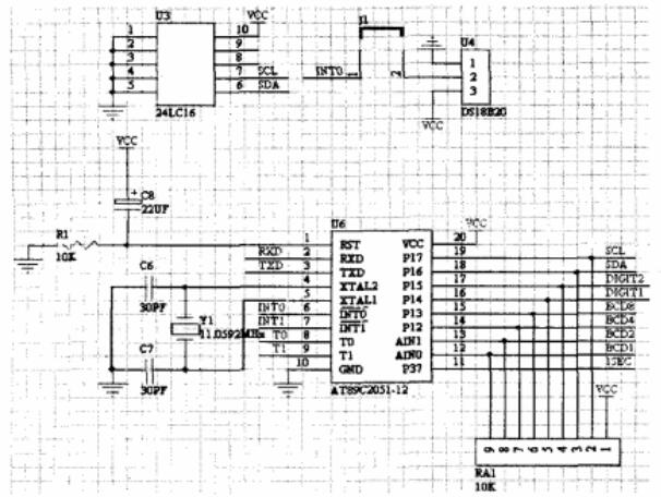
系统的硬件结构如图1所示。

图1 系统的硬件结构
1.1数据采集
数据采集电路如图2所示,由温度传感器DS18B20采集被控对象的实时温度,提供给AT89C2051的P3.2口作为数据输入。在本次设计中所控的对象为所处室温。当然作为改进可以把传感器与电路板分离,由数据线相连进行通讯,便于测量多种对象。

图2 数据采集电路
(1)DS18B20概述
DS18B20是DALLAS公司生产的一线式数字温度传感器,具有3引脚TO-92小体积封装形式;温度测量范围为-55℃~+125℃,可编程为9位~12位A/D转换精度,测温分辨率可达0.0625℃,被测温度用符号扩展的16位数字量方式串行输出,支持3V~5.5V的电压范围,使系统设计更灵活、方便;其工作电源既可在远端引入,也可采用寄生电源方式产生;多个DS18B20可以并联到3根或2根线上,CPU只需一根端口线就能与诸多DS18B20通信,占用微处理器的端口较少,可节省大量的引线和逻辑电路。以上特点使DS18B20非常适用于远距离多点温度检测系统。分辨率设定,及用户设定的报警温度存储在EEPROM中,掉电后依然保存。DS18B20使电压、特性有更多的选择,让我们可以构建适合自己的经济的测温系统。如图2所示DS18B20的2脚DQ为数字信号输入/输出端;1脚GND为电源地;3脚VDD为外接供电电源输入端。

DS18B20
(2)AT89C2051
AT89C2051(以下简称2051)是一枚8051兼容的单片机微控器,与Intel的MCS-51完全兼容,内藏2K的可程序化Flash存储体,内部有128B字节的数据存储器空间,可直接推动LED,与8051完全相同,有15个可程序化的I/O点,分别是P1端口与P3端口(少了P3.6)。

AT89C2051引脚图
1.2接口电路
接口电路由ATMEL公司的2051单片机、ULN2003达林顿芯片、4511BCD译码器、串行EEPROM24C16(保存系统参数)、MAX232、数码管及外围电路构成, 单片机以并行通信方式从P1.0~P1.7口输出控制信号,通过4511BCD译码器译码,用2个共阴极LED静态显示温度的十位、个位。
串行EEPROM24C16是标准I2C规格且只要两根引脚就能读写。由于单片机2051的P1是一个双向的I/O端口,所以在我们在设计中将P1端口当成输出端口用。由图2可知,P1.7作为串性的时钟输出信号与24C16的第6脚相接,P1.6则作为串行数据输出接到24C16的第5脚。P1. 4和P1.5则作为两个数码管的位选信号控制,在P1.4=1时,选中第一个数码管(个位);P1.5=1时,选中第二个数码管(十位)。P1.0~P1.3的输出信号接到译码器4511上作为数码管的显示。此外,由于单片机2051的P3端口有特殊的功能,P3.0(RXD)串行输入端口,P3.1(TXD)串行输出端口,P3.2(INTO)外部中断0,P3.3(INT1)外部中断1P3.4,(T0) 外部定时/计数输入点,P3.5(T1)外部定时/计数输入点。由图2可知,P3.0和P3.1作为与MAX232串行通信的接口;P3.2和P3.3作为中断信号接口;P3.4和P3.5作为外部定时/记数输入点。P3.7作为一个脉冲输出,控制发光二极管的亮灭。
由于在电路中采用的共阴极的LED数码管,所以在设计电路时加了一个达林顿电路ULN2003对信号进行放大,产生足够大的电流驱动数码管显示。由于4511只能进行BCD十进制译码,只能译到0至9,所以在这里我们利用4511译码输出我们所需要的温度。
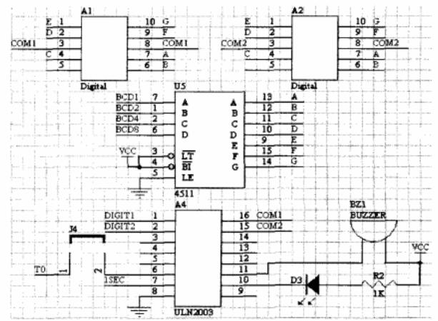
1.3报警电路简介

图3 报警电路
文中所设计的报警电路较为简单,由一个自我震荡型的蜂鸣器(只要在蜂鸣器两端加上超过3V的电压,蜂鸣器就会叫个不停)和一个发光二极管组成(如图3所示)。在这次设计中蜂鸣器是通过ULN2003电流放大IC来控制。在我们所要求的温度达到一定的上界或者下界时(在文中我们设置的上界温度是45℃,下界温度是5℃),报警电路开始工作,主要程序设计如下:
main()//主函数
{unsigned char i=0;
unsigned int m,n;
while(1)
{i=ReadTemperature();//读温度}
if(i>0 && i<=10) //如果温度在0到10度之间直接给七段数码管赋值
{P1=designP1[i];}
else//如果温度大于10度
{m=i%10;//先给第一个七段数码管赋值
D1=1;
D2=0;
P1=designP1[m];
n=i/10;//再给第二个七段数码管赋值
D1=0;
D2=1;
P1=designP1[n];
if(n>=4&&m>=5)%%(m<=5)//判断温度的取值范围,如果大于45或小于5度,则蜂鸣器叫,发光二极管闪烁
{ int a,b;
Q1=1;//蜂鸣器叫
for(a=0;a<1000;a++)//发光二极管闪烁
for(b=0;b<1000;b++)
Q2=1;
for(a=0;a<1000;a++)
for(b=0;b<1000;b++)
Q2=0;}}}
2.系统软件设计
2.1系统程序流程图
系统程序流程图如图4所示。

图4 系统程序流程图
2.2温度部分软件设计
DS18B20的一线工作协议流程是:初始化→ROM操作指令→存储器操作指令→数据传输。其工作时序包括初始化时序、写时序和读时序。故主机控制DS18B20完成温度转换必须经过三个步骤:每一次读写之前都要对DS18B20进行复位,复位成功后发送一条ROM指令,最后发送RAM指令,这样才能对DS18B20进行预定的操作。复位要求主CPU将数据线下拉500微秒,然后释放,DS18B20收到信号后等待16~60微秒左右,后发出60~240微秒的存在低脉冲,主CPU收到此信号表示复位成功。程序主要函数部分如下:
(1)初始化函数
//读一个字节函数
ReadOneChar(void)
{unsigned char i=0;
unsigned char dat = 0;
for (i=8;i>0;i--)
{ DQ = 0; // 给脉冲信号
dat>>=1;
DQ = 1; // 给脉冲信号
if(DQ)
dat|=0x80;
delay(4);}
return(dat);}
//写一个字节函数
WriteOneChar(unsigned char dat)
{unsigned char i=0;
for (i=8; i>0; i--)
{DQ = 0;
DQ = dat&0x01;
delay(5);
DQ = 1;
dat>>=1;}}
(2)读取温度并计算函数
ReadTemperature(void)
{unsigned char a=0;
unsigned char b=0;
unsigned int t=0;
float tt=0;
Init_DS18B20();
WriteOneChar(0xCC); // 跳过读序号列号的操作
WriteOneChar(0x44); // 启动温度转换
Init_DS18B20();
WriteOneChar(0xCC); //跳过读序号列号的操作
WriteOneChar(0xBE); //读取温度寄存器等(共可读9个寄存器) 前两个就是温度
a=ReadOneChar();
b=ReadOneChar();
t=b;
t<<=8;
t=t|a;
tt=t*0.0625;
t= tt*10+0.5; //放大10倍输出并四舍五入---此行没用
(3)主程序部分见前
return(t);}
小结
以上就是基于51单片机的温度测量系统设计介绍了。AT89C2051单片机体积小、重量轻、抗干扰能力强、对环境要求不高、价格低廉、可靠性高、灵活性好。本文设计是一种低成本的利用单片机多余I/O口实现的温度检测电路,该电路非常简单,易于实现,,并且适用于几乎所有类型的单片机;目前此设计已成功应用于钻井模拟器实验室室温控制。
电话:18923864027(同微信)
QQ:709211280
〈烜芯微/XXW〉专业制造二极管,三极管,MOS管,桥堆等,20年,工厂直销省20%,上万家电路电器生产企业选用,专业的工程师帮您稳定好每一批产品,如果您有遇到什么需要帮助解决的,可以直接联系下方的联系号码或加QQ/微信,由我们的销售经理给您精准的报价以及产品介绍