近几年来,配电网中整流装置、变频调速装置、工业电源以及各种电力电子装置不断曾加,造成了负荷的非线性、不平衡性使得电力系统的电压、电流发生畸变,严重的影响了供电质量。因此,为了解决电力系统中谐波和无功问题,提高电网供电质量,人们提出了有效抑制谐波和补偿无功的有源电力滤波器。下面一起来了解它的原理和作用吧:
1.简介
有源电力滤波器(Active Power Filter,简称APF)是一种用于动态抑制谐波、补偿无功的新型电力电子装置,它能够对大小和频率都变化的谐波以及变化的无功进行补偿。
有源滤波器之所以称为有源,顾名思义该装置需要提供电源(用以补偿主电路的谐波),其应用可克服LC滤波器等传统的谐波抑制和无功补偿方法的缺点(传统的只能固定补偿),实现了动态跟踪补偿,而且可以既补谐波又补无功。

有源滤波器示意图
2.工作原理
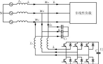
有源滤波器是采用现代电力电子技术和基于高速DSP器件的数字信号处理技术,制成的新型电力谐波治理专用设备。它的两大组成部件是指令电流运算电路和补偿电流发生电路。指令电流运算电路能对线路中的电流进行实时监控,同时会将模拟电流信号转换为数字信号,经由高速数字信号处理器(DSP)对信号进行处理,达到将谐波与基波分离的效果,并以脉宽调制(PWM)信号的形式向补偿电流发生电路输送驱动脉冲,同时驱动IGBT或IPM的功率??椋陨捎氲缤巢ǖ缌鞣迪嗟惹壹韵喾吹牟钩サ缌髯⑷氲缤?,再利用补偿电流对谐波电流进行补偿或抵消,最终达成主动消除电力谐波的作用。

有源滤波器原理图
3.作用
3.1滤除电流谐波
可以高效的滤除负荷电流中2~25次的各次谐波,从而使得配电网清洁高效,满足国标对配电网谐波的要求。该产品真正做到自适应跟踪补偿,可以自动识别负荷整体变化及负荷谐波含量的变化而迅速跟踪补偿,80us响应负荷变化,20ms实现完全跟踪补偿。
3.2改善系统不平衡状况
可完全消除因谐波引起的系统不平衡,在 设备容量许可的情况下,可根据用户设定补偿系统基波负序和零序不平衡分量并适度补偿无功功率。在确保滤除谐波功能的基础上有效改善系统不平衡状况。
3.3抑制电网谐振
抑制电网谐振不会与电网发生谐振,而且在其容量许可范围内还可以有效抑制电网自身的谐振。这是无源滤波装置无法做到的。
3.4多种?;すδ?/div>
具备过流、过压、欠压、温度过高、测量电路故障、雷击等多种?;すδ?,以确保装置和电力系统安全运行,并可在负荷较轻时自动退出运行,充分考虑运行的经济性。
以上就是有源滤波器的原理与作用介绍了。随着电力电子技术和控制技术的进步,国产有源滤波器已经在各种重大项目上的代替的进口产品。目前,有源滤波器已经运用在提高电能质量,解决三相电力系统中终端电压调节,电压波动抑制,电压平衡改善以及谐波消除和无功补偿等问题上。
电话:18923864027(同微信)
QQ:709211280
〈烜芯微/XXW〉专业制造二极管,三极管,MOS管,桥堆等,20年,工厂直销省20%,上万家电路电器生产企业选用,专业的工程师帮您稳定好每一批产品,如果您有遇到什么需要帮助解决的,可以直接联系下方的联系号码或加QQ/微信,由我们的销售经理给您精准的报价以及产品介绍
- 上一篇:有源电力滤波器的分类介绍
- 下一篇:FIR滤波器与IIR滤波器的区别图解
相关阅读