电源滤波器,又名“电源EMI滤波器”,或是“EMI电源滤波器”,是一种无源双向网络,是一种对电源中特定频率的频点或该频点以外的频率进行有效滤除的电气设备。一般是由电感、电容、电阻或铁氧体器件构成的频率选择性二端口网络,实际上是滤波器的一种,按照工作原理称之为反射式滤波器。它可以在滤波器阻带内提供了高的串联阻抗和低的并联阻抗,使它和噪声源的阻抗和负载阻抗严重不匹配,从而把不希望的频率分量发射回噪声源。下面介绍其的应用电路设计图吧:
1.AC输入整流滤波电路设计
防雷电路:当有雷击,产生高压经电网导入电源时,由MOV1、MOV2、MOV3:F1、F2、F3、FDG1组成的电路进行?;ぁ5奔釉谘姑舻缱枇蕉说牡缪钩涔ぷ鞯缪故?,其阻值降低,使高压能量消耗在压敏电阻上,若电流过大,F1、F2、F3会烧毁保护后级电路。电路设计原理如图1所示:

图1 AC输入整流滤波电路原理图
输入滤波电路:C1、L1、C2、C3组成的双π型滤波网络主要是对输入电源的电磁噪声及杂波信号进行抑制,防止对电源干扰,同时也防止电源本身产生的高频杂波对电网干扰。当电源开启瞬间,要对C5充电,由于瞬间电流大,加RT1(热敏电阻)就能有效的防止浪涌电流。因瞬时能量全消耗在RT1电阻上,一定时间后温度升高后RT1阻值减小(RT1是负温系数元件),这时它消耗的能量非常小,后级电路可正常工作。
整流滤波电路:交流电压经BRG1整流后,经C5滤波后得到较为纯净的直流电压。若C5容量变小,输出的交流纹波将增大。
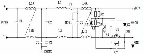
2.DC输入滤波电路设计

图2 DC输入滤波电路原理图
如图2所示,输入滤波电路:C1、L1、C2组成的双π型滤波网络主要是对输入电源的电磁噪声及杂波信号进行抑制,防止对电源干扰,同时也防止电源本身产生的高频杂波对电网干扰。C3、C4为安规电容,L2、L3为差模电感。R1、R2、R3、Z1、C6、Q1、Z2、R4、R5、Q2、RT1、C7组成抗浪涌电路。在起机的瞬间,由于C6的存在Q2不导通,电流经RT1构成回路。当C6上的电压充至Z1的稳压值时Q2导通。如果C8漏电或后级电路短路现象,在起机的瞬间电流在RT1上产生的压降增大,Q1导通使Q2没有栅极电压不导通,RT1将会在很短的时间烧毁,以?;ず蠹兜缏?。
3.电子滤波器设计
图3所示是电子滤波器。电路中的VT1是三极管,起到滤波管作用,C1是VT1的基极滤波电容,R1是VT1的基极偏置电阻,RL是这一滤波电路的负载,C2是输出电压的滤波电容。

图3 电子滤波器原理图
电子滤波电路工作原理如下:
①电路中的VT1、R1、C1组成电子滤波器电路,这一电路相当于一只容量为C1×β1大小电容器,β1为VT1的电流放大倍数,而晶体管的电流放大倍数比较大,所以等效电容量很大,可见电子滤波器的滤波性能是很好的。等效电路如图6(b)所示。图中C为等效电容。
②电路中的R1和C1构成一节RC滤波电路,R1一方面为VT1提供基极偏置电流,同时也是滤波电阻。由于流过R1的电流是VT1的基极偏置电流,这一电流很小,R1的阻值可以取得比较大,这样R1和C1的滤波效果就很好,使VT1基极上直流电压中的交流成分很少。由于发射极电压具有跟随基极电压的特性,这样VT1发射极输出电压中交流成分也很少,达到滤波的目的。
③在电子滤波器中,滤波主要是靠R1和C1实现的,这也是RC滤波电路,但与前面介绍的RC滤波电路是不同的。在这一电路中流过负载的直流电流是VT1的发射极电流,流过滤波电阻R1的电流是VT1基极电流,基极电流很小,所以可以使滤波电阻R1的阻值设得很大(滤波效果好),但不会使直流输出电压下降很多。
④电路中的R1的阻值大小决定了VT1的基极电流大小,从而决定了VT1集电极与发射极之间的管压降,也就决定了VT1发射极输出直流电压大小,所以改变R1的大小,可以调整直流输出电压+V的大小。
4.电子稳压滤波器设计

图4 电子稳压滤波器原理图
图4所示是另一种电子稳压滤波器,与前一种电路相比,在VT1基极与地端之间接入了稳压二极管VD1。电子稳压原理如下:
在VT1基极与地端之间接入了稳压二极管VD1后,输入电压经R1使稳压二极管VD1处于反向偏置状态,此时VD1的稳压特性使VT1管的基极电压稳定,这样VT1发射极输出的直流电压也比较稳定。注意:这一电压的稳定特性是由于VD1的稳压特性决定的,与电子滤波器电路本身没有关系。
R1同时还是VD1的限流?;さ缱?。在加入稳压二极管VD1后,改变R1的大小不能改变VT1发射极输出电压大小,由于VT1的发射结存在PN结电压降,所以发射极输出电压比VD1的稳压值略小。
C1、R1与VT1同样组成电子滤波器电路,起到滤波作用。
在有些场合下,为了进一步提高滤波效果,可采用双管电子滤波器电路,2只电子滤波管构成了复合管电路。这样总的电流放大倍数为各管电流放大倍数之积,显然可以提高滤波效果。
5.电容滤波设计
如图5(a)所示。是单向脉动性直流电压波形,从图中可以看出,电压的方向性无论在何时都是一致的,但在电压幅度上是波动的,就是在时间轴上,电压呈现出周期性的变化,所以是脉动性的。但根据波形分解原理可知,这一电压可以分解一个直流电压和一组频率不同的交流电压,如图5(b)所示。在图1(b)中,虚线部分是单向脉动性直流电压U。中的直流成分,实线部分是UO中的交流成分。

图5 单向脉动性电压的分解
电容滤波原理
根据以上的分析,由于单向脉动性直流电压可分解成交流和直流两部分。在电源电路的滤波电路中,利用电容器的“隔直通交”的特性和储能特性,或者利用电感“隔交通直”的特性可以滤除电压中的交流成分。图6所示是电容滤波原理图。
图6(a)为整流电路的输出电路。交流电压经整流电路之后输出的是单向脉动性直流电,即电路中的UO。图6(b)为电容滤波电路。由于电容C1对直流电相当于开路,这样整流电路输出的直流电压不能通过C1到地,只有加到负载RL图为RL上。对于整流电路输出的交流成分,因C1容量较大,容抗较小,交流成分通过C1流到地端,而不能加到负载RL。这样,通过电容C1的滤波,从单向脉动性直流电中取出了所需要的直流电压+U。
滤波电容C1的容量越大,对交流成分的容抗越小,使残留在负载RL上的交流成分越小,滤波效果就越好。

图6 电容滤波原理图
6.电感滤波设计
图7所示是电感滤波原理图。由于电感L1对直流电相当于通路,这样整流电路输出的直流电压直接加到负载RL上。

图7 电感滤波原理图
对于整流电路输出的交流成分,因L1电感量较大,感抗较大,对交流成分产生很大的阻碍作用,阻止了交流电通过C1流到加到负载RL。这样,通过电感L1的滤波,从单向脉动性直流电中取出了所需要的直流电压+U。滤波电感L1的电感量越大,对交流成分的感抗越大,使残留在负载RL上的交流成分越小,滤波效果就越好,但直流电阻也会增大。
7.π型RC滤波电路设计
图8所示是π型RC滤波电路。电路中的C1、C2和C3是3只滤波电容,R1和R2是滤波电阻,C1、R1和C2构成第一节π型的RC滤波电路,C2、R2和C3构成第二节π型RC滤波电路。由于这种滤波电路的形式如同希腊字母π和采用了电阻器、电容器,所以称为π型RC滤波电路。

图8 π型RC滤波电路原理图
π型RC滤波电路原理如下:
(1)这一电路的滤波原理是:从整流电路输出的电压首先经过C1的滤波,将大部分的交流成分滤除,然后再加到由R1和C2构成的滤波电路中。C2的容抗与R1构成一个分压电路,因C2的容抗很小,所以对交流成分的分压衰减量很大,达到滤波目的。对于直流电而言,由于C2具有隔直作用,所以R1和C2分压电路对直流不存在分压衰减的作用,这样直流电压通过R1输出。
(2)在R1大小不变时,加大C2的容量可以提高滤波效果,在C2容量大小不变时,加大R1的阻值可以提高滤波效果。但是,滤波电阻R1的阻值不能太大,因为流过负载的直流电流要流过R1,在R1上会产生直流压降,使直流输出电压Uo2减小。R1的阻值越大,或流过负载的电流越大时,在R1上的压降越大,使直流输出电压越低。
(3)C1是第一节滤波电容,加大容量可以提高滤波效果。但是C1太大后,在开机时对C1的充电时间很长,这一充电电流是流过整流二极管的,当充电电流太大、时间太长时,会损坏整流二极管。所以采用这种π型RC滤波电路可以使C1容量较小,通过合理设计R1和C2的值来进一步提高滤波效果。
(4)这一滤波电路中共有3个直流电压输出端,分别输出Uo1、Uo2和Uo3三组直流电压。其中,Uo1只经过电容C1滤波;Uo2则经过了C1、R1和C2电路的滤波,所以滤波效果更好,Uo2中的交流成分更小;Uo3则经过了2节滤波电路的滤波,滤波效果最好,所以Uo3中的交流成分最少。
(5)3个直流输出电压的大小是不同的。Uo1电压最高,一般这一电压直接加到功率放大器电路,或加到需要直流工作电压最高、工作电流最大的电路中;Uo2电压稍低,这是因为电阻R1对直流电压存在电压降;Uo3电压最低,这一电压一般供给前级电路作为直流工作电压,因为前级电路的直流工作电压比较低,且要求直流工作电压中的交流成分少。
8.π型LC滤波电路设计
图9所示是π型LC滤波电路。π型LC滤波电路与π型RC滤波电路基本相同。这一电路只是将滤波电阻换成滤波电感,因为滤波电阻对直流电和交流电存在相同的电阻,而滤波电感对交流电感抗大,对直流电的电阻小,这样既能提高滤波效果,又不会降低直流输出电压。

图9 π型LC滤波电路原理图
在图9的电路中,整流电路输出的单向脉动性直流电压先经电容C1滤波,去掉大部分交流成分,然后再加到L1和C2滤波电路中。对于交流成分而言,L1对它的感抗很大,这样在L1上的交流电压降大,加到负载上的交流成分小。
对直流电而言,由于L1不呈现感抗,相当于通路,同时滤波电感采用的线径较粗,直流电阻很小,这样对直流电压基本上没有电压降,所以直流输出电压比较高,这是采用电感滤波器的主要优点。
以上就是电源滤波器电路设计图介绍。当选用电源滤波器时,主要考虑三个方面的指标:首先是电压、电流,其次是插入损耗,最后是结构尺寸。由于滤波器内部一般是经过灌封处理的,因此环境特性不是主要问题。但是所有的灌封材料和滤波电容器的温度特性对电源滤波器的环境特性有一定的影响。
9.电源滤波电路分析要点
(1)进行电源滤波器电路分析时,要知道电子滤波管基极上的电容是滤波的关键元件。另外,要进行直流电路的分析,电子滤波管有基极电流和集电极、发射极电流,流过负载的电流是电子滤波管的发射极电流,改变基极电流大小可以调节电子滤波管集电极与发射极之间的管压降,从而改变电源滤波器输出的直流电压大小。
(2)分析滤波电容工作原理时,主要利用电容器的“隔直通交”特性,或是充电与放电特性,即整流电路输出单向脉动性直流电压时对滤波电容充电,当没有单向脉动性直流电压输出时,滤波电容对负载放电。
(3)分析滤波电感工作原理时,主要是认识电感器对直流电的电阻很小、无感抗作用,而对交流电存在感抗。
(4)电源滤波器本身没有稳压功能,但加入稳压二极管之后可以使输出的直流电压比较稳定。
电话:18923864027(同微信)
QQ:709211280
〈烜芯微/XXW〉专业制造二极管,三极管,MOS管,桥堆等,20年,工厂直销省20%,上万家电路电器生产企业选用,专业的工程师帮您稳定好每一批产品,如果您有遇到什么需要帮助解决的,可以直接联系下方的联系号码或加QQ/微信,由我们的销售经理给您精准的报价以及产品介绍