直流偏置源为电子有源器件或系统提供一定的偏置电压,可广泛用于军事系统及民用产品以及特殊行业,如石油化工、航空航天等工业设计中。直流偏置技术的实现方法较多。本文根据直流偏置源应用的实际环境和要求,采用工控机通过CAN通信与微控制器进行实时数据传输,微控制器又通过SPI串行通信控制数字电位器组合电路的方法实现偏置电压的输出。此方法噪声低、步进调节灵活、精准度高,在实际应用中工作可靠、稳定,符合工作指标及要求。
1.偏置源的性能指标
直流偏置源的设计需要考虑整体噪声指标和输出电压的精度以及电流的驱动能力。综合相关文献,并结合偏置源实际应用的系统要求,提出了以下关于直流偏置源的一些技术指标:
(1)输出电压范围为0~5V。
(2)输出调节方式为可编程步进调节,步长2mV。
(3)输出电流为≥20mA。
2.设计原则
(1)由于器件容易受到外部信号和噪声的干扰,所以需要采用一定的屏蔽措施。如偏置部分采用屏蔽盒安装,系统信号连接线采用屏蔽线连接,这样可有效阻止外部电磁辐射对系统的干扰。
(2)由于工业供电和市电等均为交流电,会从外部带入不必要的干扰谐波,直接影响系统的噪声指标量级。在市电供电的环境下,对模拟部分的干扰更为明显。签于以上情况,电路的模拟部分均采用纯净锂电池供电的方式以降低电路噪声。
(3)为保证被测器件参数的精准性,设置了偏置电压回采监测,直流偏置按照低噪声目标进行设计和实现。
(4)??橹涞母衾搿R话愕缏飞杓浦?,由于数字部分对模拟部分噪声干扰较大,须将从数字部分传输到模拟部分的信号进行光耦隔离,以防止数字部分的干扰串入模拟部分。同时各组件内数字地和模拟地用磁珠连接,各组件之间单点共地后接入大地。
(5)工控机部分采用CAN通信和微控制器实现数据传输,微控制器采用SPI通信和数字电位器实现数据传输。
基于以上设计原则,直流偏置电路的总体结构如图1所示。

图1 总体结构
3.直流偏置源的硬件设计
考虑到偏置源应用的实际环境和指标要求,选用特定的器件来完成电路硬件设计。
3.1微控制器??榈难≡?/div>
C8051F系列单片机是混合信号片上系统单片机,共主要??榘D馔馍?、片内JTAG调试和边界扫描、高速控制器内核、数字外设等。
3.2电源模块的设计
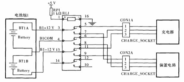
(1)锂电池电池组电路
直流偏置部分的锂电池供电+12V和-12V,电路如图2所示。电源噪声不仅影响自身电路设备的正常工作,而且也使电源本身的可靠性显著降低。结合此次研发项目的实际情况,由于直流偏置部分对于噪声指标要求较高,所以采用可充电锂电池供电的方法来从源头上抑制外来噪声的影响。

图2 部分锂电池供电结构图
(2)基准电压源电路
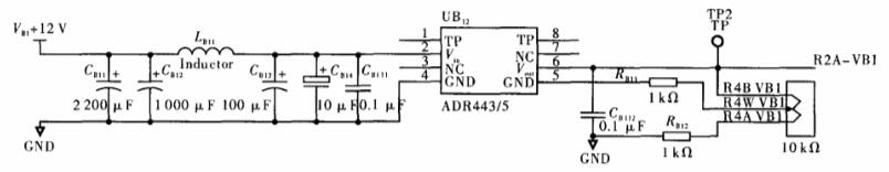
基准电压源产生标准的+5V电压,利用数字电位器组合电路对其进行分压,以保证0~5V步进偏置电压的输出,基准电压源ADR445电路如图3所示。

图3 ADR445电路图
首先在+12V输入端进行了LC滤波网络的设计,通过此网络的设计可有效降低噪声从源头上带入的影响。同时在ADR445芯片前的输入端采用10μF电容可以提高线路电压瞬态性能,而在ADR445芯片的输入和输出端使用0.1μF电容则可以使其稳定工作。ADR44x系列芯片具有一个TRIM引脚,该引脚允许用户可在一定范围内调整器件的输出电压。
(3)线性电源电路
LT1962是一款低噪声、驱动能力强、静态电流低的线性电源。另外,LT1962芯片不需要二极管稳压?;?,输入电压范围为1.8~20.0V,固定输出有1.5V,1.8V,2.5V,3V,3.3V和5V,可调节输出电压范围为1.22~20.00V。同时,LT1962还具有电压反接?;?、过电流和高温?;さ裙δ堋5驮肷咝缘缭碙T1962-5电路如图4所示。

图4 LT1962-5电路图
在设计中根据实际需要,将LT1962的ADJ/SEN引脚通过电阻连接至OUT引脚和地,这样可以通过调节变阻器的阻值,在一定范围内调整芯片OUT输出端的电压大小。同时,将BYT引脚通过0.01μF的旁路电容连接至OUT引脚,这样可有效减小输出端的噪声。
3.3光电隔离??榈纳杓?/div>
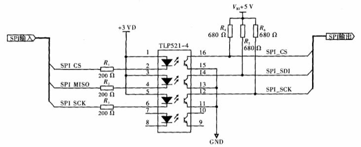
在一般的电路设计中,数字部分对模拟部分的干扰较为明显,不仅需要将数字地和模拟地在物理上隔离,还需要将从数字部分到模拟部分的信号传输进行物理隔离,这就需要光电耦合器电路。光电耦合器是目前在单片机和开关电源中用得最多的隔离抗干扰器件?;贓MC电磁干扰方面的考虑,选用光电耦合器TLP521-4隔离直流偏置电路中单片机数字部分与数字电位器模拟部分的电气连接。光电隔离??門LP521-4是一款具有完整基极一发射极、性能优良的固定延时光电耦合器,它具有最优转换速度、高温性能等特点。光电耦合器TLP521-4电路如图5所示。在TLP521-4输出端采用+5V的上拉电阻设计。这样可以有效地提高光电耦合器输出端的驱动能力。

图5 TLP521-4电路图
3.4精准偏置电压模块的设计
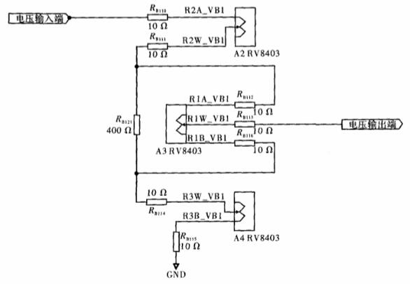
数字电位器是一种可用数字信号控制电位器滑动端开关位置而改变阻值的一类变阻器。数字电位器因为其使用寿命长,调节方便、准确、易操作、受环境因素影响小、噪声小以及性能稳定等特点,被广大电子工程技术人员所青睐。数字电位器具有记忆和非记忆性功能,选择具有记忆功能的数字电位器,可以将当前滑动端的调节位置保存在非易失性存储器中,再次上电后会自动恢复为上次滑动端的调节位置,这样可以消除再次调节而带来的手动误差;选择非记忆性功能的数字电位器,则在再次上电后系统自动复位。鉴于科研项目的相关要求,选择带有记忆性功能、噪声小、抗震动、尺寸小并且寿命长的数字电位器AD8403。利用数字电位器AD8403组合电路分压+5V基准电压,以达到输出0~5V偏置电压的要求。数字电位器AD8403的应用电路如图6所示。

图6 AD8403组合电路
AD8403是美国AD公司生产的一种4通道,有256个分支点的数字电位器,也称数控可变电阻器。数字电位器实质上是一种特殊形式的数模转换器,但其模拟量输出不是电压和电流而是电阻或电阻比率,所以又称为RDAC。AD8403含有4个独立的RDAC,采用24引线SOIC封装。这两种器件均可在扩展工业温度范围-40~+85℃工作。每个独立的RDAC都有两个固定端A和B及一个滑动触点W。其中W距B端的位置由置入串行输入寄存器中的数码决定。固定端A与B之间的电阻一般分为3种类型:10kΩ,50kΩ和100kΩ。在这里根据实际需要选择AD8403A100,即100kΩ。
AD8403的滑动端W的位置是由经过其SPI口输入的串行数据决定的。当AD8403的引脚输入信号为低电平有效时,则表示此数字电位器被选中,在时钟脉冲的作用下将10位串行数据由AD8403的串行数据输入(SDI)引脚。这10位数据的格式为:A1、A0、D7、D6、D5、D4、D3、D2、D1。其中前两位为地址选择位,地址位A1A0=00,01,10,11分别对应RDAC1、RDAC2、RDAC3和RDAC4。后8位是数据位,用来调节滑动端W的位置。AD8403的SPI时序图如图7所示。

图7 AD8403的SPI时序图
利用Matlab仿真,如图6所示的数字电位器组合电路,其仿真结果达到了预期目的。利用Matlab软件生成的三维图像,可直观地看出理论分析的输出结果。仿真三维图像如图8所示。

图8 仿真三维图像
3.5射随输出??榈纳杓?/div>
一般电路设计中,使用射随电路主要有两个目的:
(1)在输入级,有时一个信号要被分配到多个下级输入上,但前一级的输出能力有限,这时就可以使用射随电路。在保持信号电压不变的情况下增加输出电流,以达到驱动多个后级电路的目的。
(2)射随电路不仅可以提供高输入、低输出的阻抗,还可以起到缓冲作用,避免后级电路对前级电路的影响。
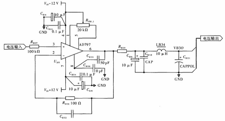
在直流偏置电路中,由于数字电位器AD8403的输出驱动电流较小,所以需要在后级电路中加入一个由运算放大器AD797组成的射随电路以增加偏置电压的驱动能力,具体的射随电路如图9所示。

图9 AD797组成的射随电路
结语
以上就是基于数字电位器的直流偏置技术介绍了。经过实践证明,本文设计的直流偏置源工作可靠、稳定,符合低噪声、高精度、工作稳定、反应灵敏等要求,所以具有推广和使用的价值。
电话:18923864027(同微信)
QQ:709211280
〈烜芯微/XXW〉专业制造二极管,三极管,MOS管,桥堆等,20年,工厂直销省20%,上万家电路电器生产企业选用,专业的工程师帮您稳定好每一批产品,如果您有遇到什么需要帮助解决的,可以直接联系下方的联系号码或加QQ/微信,由我们的销售经理给您精准的报价以及产品介绍
- 上一篇:基于数字电位器的增益自适应数据采集系统设计介绍
- 下一篇:数字电位器的工作原理介绍
相关阅读
最新资讯
- 怎么用TVS二极管提高电路的抗突波能力
- PIN二极管的电导调制机制和应用介绍
- 基于双MOS管的防反灌电路工作原理介绍
- 高效率整流二极管的特性和应用介绍
- 详解稳压二极管的关键特性和应用原理
- MOS管选型关键因素分析,怎么选择合适的参数
- 三相整流电路分析,半波整流与全波整流的工作原理
- IGBT三相全桥整流电路工作原理介绍
- 详解快恢复二极管,结构,特性和应用介绍
- 三极管和MOS管组合式开关电路分析
联系烜芯微
咨询热线:
18923864027
传真:
18923864027
QQ:
709211280
地址:
深圳市福田区振中路84号爱华科研楼7层